Пресс-подборщик рулонный ПРФ-110
Пресс-подборщик с постоянной камерой прессования предназначен для подбора валков сена, соломы, прессования их в рулоны с последующейобмоткой шпагатом. За счет применения прессовальной камеры закрытого типа пресс-подборщик данного типа имеет низкие потери кормов. Повышенная плотность на поверхности рулона и рыхлость в середине обеспечивает лучшую проницаемость воздуха.
Запчасти на пресс-подборщик ПРФ-110 Каталог СКАЧАТЬ
Камера передняя, камера задняя ПРФ-110, ПРФ-145
1 . .
ПР-1,02.01.000 . . . Камера передняя ПРФ-110 . . . (запчасти ПРФ-110)
2 . .
ПР-1,52.01.000 . . . Камера задняя ПРФ-110 . . . (пресс-подборщик ПРФ-110)
3 . .
ПР-1,4.00.03.000-01 . . . Тяга стрелки ПРФ-110 . . . (запчасти на пресс-подборщик)
4 . .
ПР-1,4.00.05.000 . . . Стрелка . . . (продам запчасти ПРФ-110)
5 . .
ПР-1,4.00.22.000 . . . Ось . . . (запчасти ПРФ-110)
6 . .
ПР-1,4.02.03.000 . . . Рычаг . . . (пресс-подборщик ПРФ-110)
7 . .
ПР-1,4.02.05.000 . . . Защелка . . . (запчасти на пресс-подборщик)
7 . .
ПР-1,4.02.05.000-01 . . . Защелка . . . (продам запчасти ПРФ-110)
8 . .
ПР-1,4.02.06.000 . . . Болт М16х225.7796 . . . (запчасти ПРФ-110)
9 . .
ПР 02.290А . . . Фиксатор . . . (запчасти ПРФ-110)
10 . .
ПР 02.00.200А-01 . . . Рычаг ПРФ-110 . . . (запчасти на пресс-подборщик)
11 . .
ПР 02.00.310 . . . Тяга . . . (продам запчасти ПРФ-110)
12 . .
АВШ 01.617 . . . Пружина . . . (запчасти ПРФ-110)
13 . .
ПР 03.608 . . . Пружина . . . (пресс-подборщик ПРФ-110)
14 . .
Н 036.83.010 . . . Рукав высокого давления 11-12 армир. L,=385 мм ПРФ-110 . . . (запчасти на пресс-подборщик)
15 . .
105.072.22.000-02 . . . Гидроцилиндр 3-50х28-250 ПРФ-110 ПР 22.0.000-02 . . . (запчасти на пресс-подборщик)
ПР-1,4.03.02.000 . . . Натяжное устройство оси . . . (пресс-подборщик ПРФ-110)
ПР-1,4.51.02.000 . . . Ось . . . (продам запчасти ПРФ-110)
ПР-1.4.52.02.000 . . . Натяжное устройство оси . . . (запчасти на пресс-подборщик)
Вал ведущий ПР-1,4.51.02.000 ПРФ-110, ПРФ-145
1 . .
ПР-1,4.02.02.020 . . . Звездочка Z=23 . . . (запчасти на пресс-подборщик)
2 . .
ПР-1,4.51.02.010 . . . Блок звездочек Z1=20/Z2=28 . . . (продам запчасти ПРФ-110)
3 . .
ПР-02.00.700 . . . Звездочка Z=16 для ПР-1,8.17.00.000-02 . . . (запчасти ПРФ-110)
3 . .
ПР-02.00.700 . . . Звездочка для ПР-1,8.17.00.000-04 . . . (запчасти на пресс-подборщик)
4 . .
ПР-1,4.02.00.401 . . . Щиток . . . (продам запчасти ПРФ-110)
5 . .
ПР-1,4.02.00.402 . . . Чистик . . . (запчасти ПРФ-110)
6 . .
ПР-1,4.51.02.601 . . . Вал . . . (запчасти на пресс-подборщик)
7 . .
ПР-1,4.51.02.801 . . . Втулка . . . (продам запчасти ПРФ-110)
8 . .
ПР-1,4.51.02.802 . . . Кольцо . . . (запчасти ПРФ-110)
9 . .
ПР-1,4.51.02.802-01 . . . Кольцо . . . (запчасти на пресс-подборщик)
10 . .
ПР 02.001 . . . Втулка . . . (продам запчасти ПРФ-110)
11 . .
ПР 02.103А . . . Подшипник Или ПР 02.00.800 . . . (запчасти ПРФ-110)
12 . .
ПР 02.463 . . . Чистик . . . (запчасти на пресс-подборщик)
13 . .
ПР 02.463-01 . . . Чистик . . . (продам запчасти ПРФ-110)
14 . .
ПР 02.473 . . . Пластина . . . (запчасти ПРФ-110)
15 . .
ПР 02.476 . . . Пластина . . . (запчасти на пресс-подборщик)
16 . .
ПР 02.628 . . . Корпус подшипника . . . (продам запчасти ПРФ-110)
17 . .
ПР 02.628-01 . . . Корпус подшипника . . . (запчасти ПРФ-110)
18 . .
ПР 07.00.431-02 . . . Кольцо . . . (запчасти на пресс-подборщик)
19 . .
ПР 11.00.401-02 . . . Кольцо . . . (продам запчасти ПРФ-110)
20 . .
ПР 11.00.401-03 . . . Кольцо . . . (запчасти ПРФ-110)
21 . .
ПРТ-10.02.415 . . . Шайба специальная . . . (запчасти на пресс-подборщик)
22 . .
ПРТ-7А.07.08.301-02 . . . Кольцо . . . (продам запчасти ПРФ-110)
23 . .
80209 . . . Подшипник . . . (запчасти ПРФ-110)
24 . .
1580211 . . . Подшипник . . . (запчасти на пресс-подборщик)
25 . .
М8х16 ГОСТ 7796 . . . Болт . . . (продам запчасти ПРФ-110)
26 . .
М8х25 ГОСТ 7802 . . . Болт . . . (запчасти ПРФ-110)
27 . .
М12х45 ГОСТ 7802 . . . Болт . . . (запчасти на пресс-подборщик)
28 . .
М8 ГОСТ 5915 . . . Гайка . . . (продам запчасти ПРФ-110)
29 . .
М12 ГОСТ 5915 . . . Гайка . . . (запчасти ПРФ-110)
30 . .
8.65Г ГОСТ 6402 . . . Шайба . . . (запчасти на пресс-подборщик)
31 . .
12.65Г ГОСТ 6402 . . . Шайба . . . (продам запчасти ПРФ-110)
32 . .
8 ГОСТ 11371 . . . Шайба . . . (запчасти ПРФ-110)
33 . .
1.2.Ц6 ГОСТ 19853 . . . Масленка . . . (запчасти на пресс-подборщик)
34 . .
2-16х10х45 ГОСТ 23360 . . . Шпонка . . . (продам запчасти ПРФ-110)
Ось ПР-1,4.03.02.000, ось ПР-1,4.52.02.000 ПРФ-110, ПРФ-145
1 . .
ПР-1,4.52.00.801 . . . Втулка ПРФ-110 . . . (запчасти на пресс-подборщик)
2 . .
ПР 03.00.200 . . . Звездочка Z=16 ПРФ-110 . . . (продам запчасти ПРФ-110)
3 . .
ПР-1,4.03.02.401 . . . Кожух . . . (запчасти на пресс-подборщик)
4 . .
ПР-1,4.52.02.601 . . . Ось . . . (продам запчасти ПРФ-110)
5 . .
ПР 03.803А . . . Втулка . . . (запчасти ПРФ-110)
6 . .
ПР 03.803А-01 . . . Втулка . . . (запчасти на пресс-подборщик)
7 . .
ПР 03.804 . . . Втулка . . . (продам запчасти ПРФ-110)
8 . .
ПР 11.00.401-01 . . . Кольцо . . . (запчасти ПРФ-110)
9 . .
ПСБ 53.528 . . . Кольцо . . . (запчасти на пресс-подборщик)
10 . .
180207 . . . Подшипник . . . (продам запчасти ПРФ-110)
11 . .
М8х100 ГОСТ 7802 . . . Болт . . . (запчасти ПРФ-110)
12 . .
М8 ГОСТ 5915 . . . Гайка . . . (запчасти на пресс-подборщик)
13 . .
8.65Г ГОСТ 6402 . . . Шайба . . . (продам запчасти ПРФ-110)
14 . .
2-8х7х45 ГОСТ 23360 . . . Шпонка . . . (запчасти ПРФ-110)
Натяжное устройство оси ПР-1,4.52.02.000 ПРФ-110, ПРФ-145
1 . .
ПР-1,4.52.08.000 . . . Основание . . . (продам запчасти ПРФ-110)
2 . .
ПР-1,4.52.09.000 . . . Серьга со вставкой . . . (запчасти ПРФ-110)
3 . .
ПР-1,4.52.00.401 . . . Шайба стопорная . . . (запчасти на пресс-подборщик)
4 . .
ПР-1,4.52.00.402 . . . Шайба . . . (продам запчасти ПРФ-110)
5 . .
ПР-1,4.52.00.602 . . . Втулка . . . (запчасти ПРФ-110)
6 . .
ПР-1,4.52.00.603 . . . Пружина . . . (запчасти на пресс-подборщик)
7 . .
ПР-1,4.52.00.604 . . . Пружина . . . (продам запчасти ПРФ-110)
8 . .
ПР-1,4.52.00.605 . . . Гайка . . . (запчасти ПРФ-110)
9 . .
ПР-1,4.52.00.606 . . . Шпилька . . . (запчасти на пресс-подборщик)
10 . .
ПР-1,4.52.00.801 . . . Втулка . . . (продам запчасти ПРФ-110)
11 . .
М10х20 ГОСТ 7796 . . . Болт . . . (запчасти ПРФ-110)
12 . .
М16 ГОСТ 5915 . . . Гайка . . . (запчасти на пресс-подборщик)
13 . .
10 ГОСТ 11371 . . . Шайба . . . (продам запчасти ПРФ-110)
Механизм прессующий ПР-1,8.17.00.000-02 ПРФ-145
1 . .
ПР-1,8.17.01.000-02 . . . Цепь ПРФ-110 L=6077,60 мм . . . (продам запчасти ПРФ-110)
2 . .
ПР-1,8.17.00.601-02 . . . Планка Прим. с 180706К . . . (запчасти ПРФ-110)
2 . .
ПР-1,8.17.00.601-03 . . . Планка Прим. с ПР 26.01.000 . . . (запчасти на пресс-подборщик)
3 . .
ПР-1,8.17.01.010 . . . Звено специальное . . . (продам запчасти ПРФ-110)
4 . .
ПР-1,8.17.01.601 . . . Валик . . . (запчасти ПРФ-110)
5 . .
ПР 26.00.401 . . . Шайба защитная Прим с 180706К . . . (запчасти на пресс-подборщик)
6 . .
ПР 26.00.402 . . . Кольцо Или ПР 26.01.801 . . . (продам запчасти ПРФ-110)
7 . .
ПР-1,4.16.00.401 . . . Шайба защитная Прим с ПР 26.01.000 . . . (запчасти ПРФ-110)
8 . .
180706К . . . Подшипник . . . (запчасти на пресс-подборщик)
9 . .
ПР 26.01.000 . . . Каток . . . (продам запчасти ПРФ-110)
10 . .
А30 ГОСТ 13942 . . . Кольцо . . . (запчасти ПРФ-110)
11 . .
ПРЛ-38,1-10700 ТУ 3-556 . . . Цепь . . . (запчасти на пресс-подборщик)
12 . .
ПРЛ-38,1-10700 ТУ 3-556 . . . Цепь . . . (продам запчасти ПРФ-110)
13 . .
ПРЛ-38,1-10700 ТУ 3-556 . . . Цепь . . . (запчасти ПРФ-110)
14 . .
С-ПРЛ-38,1-10700 ТУ 3-556 . . . Звено соединительное . . . (запчасти на пресс-подборщик)
Лобовина ПР-1,4.50.00.000 (ПР-Ф-145), лобовина ПР-1,4.50.00.000-01 (ПР-Ф-110) ПРФ-110, ПРФ-144
1 . .
ПР-1,4.50.01.000-01 . . . Лобовина ПРФ-110 . . . (продам запчасти ПРФ-110)
2 . .
ПР-1,4.01.02.000 . . . Ящик . . . (запчасти ПРФ-110)
3 . .
ПР 01.00.080 . . . Включатель . . . (запчасти на пресс-подборщик)
4 . .
ПР 01.00.260-01 . . . Тяга . . . (продам запчасти ПРФ-110)
5 . .
ПР 01.00.330 . . . Кронштейн . . . (запчасти ПРФ-110)
6 . .
ПР 01.01.060 . . . Пластина Прим. с Н 094.40.000А-323 . . . (запчасти на пресс-подборщик)
7 . .
ПР 23.00.000 . . . Редуктор . . . (продам запчасти ПРФ-110)
7 . .
Или КТФ 03.000-01 . . . Редуктор . . . (запчасти ПРФ-110)
7 . .
или Н 094.40.000А-323 . . . Редуктор . . . (запчасти на пресс-подборщик)
7 . .
или РУ-03.00.000 . . . Редуктор . . . (продам запчасти ПРФ-110)
8 . .
АВШ 01.617 . . . Пружина . . . (запчасти ПРФ-110)
9 . .
ГУТ 03.104 . . . Ролик . . . (запчасти на пресс-подборщик)
10 . .
МЖТ-10.00.00.616-01 . . . Ось . . . (продам запчасти ПРФ-110)
11 . .
ПР 01.00.401 . . . Пластина Прим. с КТФ-03.000-01 Или ПР 01.00.621
12 . .
ПР 01.00.461 . . . Шайба . . . (запчасти на пресс-подборщик)
13 . .
ПР 01.00.639 . . . Ось . . . (продам запчасти ПРФ-110)
14 . .
180502 . . . Подшипник . . . (запчасти ПРФ-110)
15 . .
6-8х40 ГОСТ 9650 . . . Ось . . . (запчасти на пресс-подборщик)
16 . .
М10 ГОСТ 5918 . . . Гайка . . . (продам запчасти ПРФ-110)
17 . .
10.65Г ГОСТ 6402 . . . Шайба . . . (запчасти ПРФ-110)
18 . .
8 ГОСТ 11371 . . . Шайба . . . (запчасти на пресс-подборщик)
19 . .
12 ГОСТ 11371 . . . Шайба . . . (продам запчасти ПРФ-110)
20 . .
3,2х18 ГОСТ 397 . . . Шплинт . . . (запчасти ПРФ-110)
Вал привода ПР-01.070А ПРФ-110, ПРФ-145
1 . .
ПР 01.605А . . . Вал . . . (продам запчасти ПРФ-110)
1 . .
ПР 01.605А-01 . . . Вал для экспорта 6 шлицев . . . (запчасти ПРФ-110)
2 . .
ПР 05.607 . . . Корпус подшипника . . . (запчасти на пресс-подборщик)
3 . .
ПР 11.00.401-02 . . . Кольцо . . . (продам запчасти ПРФ-110)
4 . .
1580209 . . . Подшипник . . . (запчасти ПРФ-110)
Вал ПР-1,4.01.03.000 ПРФ-110, ПРФ-145
1 . .
ПР 01.00.100 или ПР 01.00.626 . . . Полумуфта . . . (продам запчасти ПРФ-110)
2 . .
ПР 01.00.120 . . . Полумуфта . . . (запчасти ПРФ-110)
3 . .
ПР-1,4.01.03.401 . . . Шайба . . . (запчасти на пресс-подборщик)
4 . .
ПР-1,4.01.03.601 . . . Вал . . . (продам запчасти ПРФ-110)
5 . .
ПР-1,4.01.03.010 . . . Звездочка Z=11 . . . (запчасти ПРФ-110)
6 . .
ПР 01.614 . . . Пружина . . . (запчасти на пресс-подборщик)
7 . .
ПР 02.628 . . . Корпус подшипника . . . (продам запчасти ПРФ-110)
8 . .
ПР 11.00.401-01 . . . Кольцо . . . (запчасти ПРФ-110)
9 . .
ПР 11.00.401-03 . . . Кольцо . . . (запчасти на пресс-подборщик)
10 . .
ПР 11.00.401-07 . . . Кольцо . . . (продам запчасти ПРФ-110)
11 . .
ПСБ 58.601 . . . Винт специальный . . . (запчасти ПРФ-110)
12 . .
180207 . . . Подшипник . . . (запчасти на пресс-подборщик)
13 . .
1580211 . . . Подшипник . . . (продам запчасти ПРФ-110)
14 . .
М12х45 ГОСТ 7802 . . . Болт . . . (запчасти ПРФ-110)
15 . .
М10 ГОСТ 5915 . . . Гайка . . . (запчасти на пресс-подборщик)
16 . .
М12 ГОСТ 5915 . . . Гайка . . . (продам запчасти ПРФ-110)
17 . .
12.65Г ГОСТ 6402 . . . Шайба . . . (запчасти ПРФ-110)
18 . .
48 ГОСТ 11371 . . . Шайба . . . (запчасти на пресс-подборщик)
19 . .
1.2.Ц6 ГОСТ 19853 . . . Масленка . . . (продам запчасти ПРФ-110)
20 . .
2-14х9х40 ГОСТ 23360 . . . Шпонка . . . (запчасти ПРФ-110)
21 . .
2-14х9х56 ГОСТ 23360 . . . Шпонка . . . (запчасти на пресс-подборщик)
Муфта предохранительная ПР-07.00.230 (подборщик), муфта предохранительная ПР-05.00.020 (лобовина)
1 . .
ПРП 05.00.040 . . . Шарнир с дисками АН-400 Прим. с ПРП 05.00.020 . . . (запчасти ПРФ-110)
2 . .
ПР 01.00.408 . . . Шайба стопорная С ПРП 05.00.020 . . . (запчасти на пресс-подборщик)
3 . .
ПР 01.00.608 . . . Шайба концевая С ПРП 05.00.020 . . . (продам запчасти ПРФ-110)
4 . .
ПР 07.00.435 . . . Пружина 2 шт. с ПРП 05.00.020 . . . (запчасти ПРФ-110)
5 . .
ПР 07.00.436 . . . Звездочка С ПР 07.00.230, z=28 . . . (запчасти на пресс-подборщик)
6 . .
ПР 07.00.437 . . . Диск . . . (продам запчасти ПРФ-110)
7 . .
ПР 07.00.438 . . . Диск . . . (запчасти ПРФ-110)
8 . .
ПР 07.00.605 . . . Ступица С ПР 07.00.230 . . . (запчасти на пресс-подборщик)
8 . .
ПР 07.00.605-01 . . . Ступица С ПРП 05.00.020 . . . (продам запчасти ПРФ-110)
9 . .
ПР 07.00.607 . . . Ступица . . . (запчасти ПРФ-110)
10 . .
ПР 07.00.608 . . . Штифт . . . (запчасти на пресс-подборщик)
11 . .
ПР 07.00.801 . . . Гайка . . . (продам запчасти ПРФ-110)
12 . .
ПРП 05.00.401 . . . Диск С ПРП 05.00.020 . . . (запчасти ПРФ-110)
13 . .
2571116552 . . . Накладка фрикционная . . . (запчасти на пресс-подборщик)
14 . .
Б 7,938-200 . . . Шарик . . . (продам запчасти ПРФ-110)
15 . .
М10х25 ГОСТ 7796 . . . Болт С ПРП 05.00.040 . . . (запчасти ПРФ-110)
16 . .
М10х55 ГОСТ 7796 . . . Болт С ПРП 05.00.020 . . . (запчасти на пресс-подборщик)
17 . .
М10 ГОСТ 5915 . . . Гайка С ПРП 05.00.040 . . . (продам запчасти ПРФ-110)
18 . .
10.65Г ГОСТ 6402 . . . Шайба С ПРП 05.00.040 . . . (запчасти ПРФ-110)
19 . .
10 ГОСТ 11371 . . . Шайба С ПРП 05.00.040 . . . (запчасти на пресс-подборщик)
20 . .
2-10х8х40 ГОСТ 23360 . . . Шпонка С ПРП 05.00.020 . . . (продам запчасти ПРФ-110)
20 . .
2-10х8х45 ГОСТ 23360 . . . Шпонка С ПР 07.00.230 . . . (запчасти ПРФ-110)
Аппарат обматывающий ПР-1,4.01.04.000 ПРФ-110, ПРФ-145
1 . .
ПР-1,4.01.04.010 . . . Панель . . . (продам запчасти ПРФ-110)
2 . .
ПР 08.020 . . . Корпус подшипников . . . (запчасти ПРФ-110)
3 . .
ПР 08.050А . . . Фланец подшипников . . . (запчасти на пресс-подборщик)
4 . .
ПР 08.001 . . . Делитель . . . (продам запчасти ПРФ-110)
5 . .
ПР 08.413 . . . Шайба . . . (запчасти ПРФ-110)
6 . .
ПР 08.422 . . . Звено соединительное . . . (запчасти на пресс-подборщик)
7 . .
ПР 08.602 . . . Вал-шестерня . . . (продам запчасти ПРФ-110)
8 . .
ПР 08.603 . . . Ось шестерни . . . (запчасти ПРФ-110)
9 . .
ПР 08.604 . . . Ось звездочки . . . (запчасти на пресс-подборщик)
10 . .
ПР 08.616А . . . Ось . . . (продам запчасти ПРФ-110)
11 . .
ПР 08.619 . . . Спец. Звено . . . (запчасти ПРФ-110)
12 . .
ПР 08.621 . . . Замок . . . (запчасти на пресс-подборщик)
13 . .
ПР 08.803А . . . Втулка распорная . . . (продам запчасти ПРФ-110)
14 . .
ПР 08.805А . . . Втулка распорная . . . (запчасти ПРФ-110)
15 . .
ПР 08.807 . . . Кольцо . . . (запчасти на пресс-подборщик)
16 . .
ПР 08.809 . . . Ролик . . . (продам запчасти ПРФ-110)
17 . .
ПР 13.003 . . . Полоз . . . (запчасти ПРФ-110)
18 . .
ПР 13.00.004 . . . Шкив . . . (запчасти на пресс-подборщик)
19 . .
ПР 13.005 . . . Шестерня . . . (продам запчасти ПРФ-110)
20 . .
ПР 13.301 . . . Поводок или ПР 13.00.030 . . . (запчасти ПРФ-110)
21 . .
ПР 13.414 . . . Плата . . . (запчасти на пресс-подборщик)
22 . .
ПР 13.452 . . . Упор . . . (продам запчасти ПРФ-110)
23 . .
ПР 13.453 . . . Нож . . . (запчасти ПРФ-110)
24 . .
180204 . . . Подшипник . . . (запчасти на пресс-подборщик)
25 . .
М6х16 ГОСТ 7798 . . . Болт . . . (продам запчасти ПРФ-110)
26 . .
М6х25 ГОСТ 7798 . . . Болт . . . (запчасти ПРФ-110)
27 . .
М6х35 ГОСТ 7798 . . . Болт . . . (запчасти на пресс-подборщик)
28 . .
М8х20 ГОСТ 7796 . . . Болт . . . (продам запчасти ПРФ-110)
29 . .
М8х45 ГОСТ 7796 . . . Болт . . . (запчасти ПРФ-110)
30 . .
М8х25 ГОСТ 7802 . . . Болт . . . (запчасти на пресс-подборщик)
31 . .
М6 ГОСТ 5915 . . . Гайка . . . (продам запчасти ПРФ-110)
32 . .
М8 ГОСТ 5915 . . . Гайка . . . (запчасти ПРФ-110)
33 . .
6.65Г ГОСТ 6402 . . . Шайба . . . (запчасти на пресс-подборщик)
34 . .
8.65Г ГОСТ 6402 . . . Шайба . . . (продам запчасти ПРФ-110)
35 . .
8 ГОСТ 11371 . . . Шайба . . . (запчасти ПРФ-110)
36 . .
2-6х6х14 ГОСТ 23360 . . . Шпонка . . . (запчасти на пресс-подборщик)
37 . .
А20 ГОСТ 13942 . . . Кольцо . . . (продам запчасти ПРФ-110)
38 . .
А47 ГОСТ 13943 . . . Кольцо . . . (запчасти ПРФ-110)
39 . .
ПР-19,05-31,8 . . . Цепь n=77 зв. Или n1=99 зв. . . . (запчасти на пресс-подборщик)
Вал ПР-1,4.50.05.000 ПРФ-110, ПРФ-145
1 . .
ПР 01.01.010 . . . Полумуфта . . . (запчасти ПРФ-110)
2 . .
ПР 01.01.020 . . . Полумуфта . . . (запчасти на пресс-подборщик)
3 . .
ПР-1,4.50.05.601 . . . Вал . . . (продам запчасти ПРФ-110)
4 . .
ПР 02.628 . . . Корпус подшипника . . . (запчасти ПРФ-110)
5 . .
ПР 11.00.401-03 . . . Кольцо . . . (запчасти на пресс-подборщик)
6 . .
ПР 11.00.401-06 . . . Кольцо . . . (продам запчасти ПРФ-110)
7 . .
МТТ-Ф-19.02.32.301-01 . . . Шайба специальная Наибольшее кол-во . . . (запчасти ПРФ-110)
8 . .
ПИР 600028А . . . Звездочка Z=12 Или 105.017.14.011-02 . . . (запчасти на пресс-подборщик)
9 . .
Ш 35 . . . Подшипник . . . (продам запчасти ПРФ-110)
10 . .
1580211 . . . Подшипник . . . (запчасти ПРФ-110)
11 . .
ПР-25,4-6000А . . . Цепь n=13 зв. . . . (запчасти на пресс-подборщик)
12 . .
С-ПР-25,4-6000А . . . Звено соединительное . . . (продам запчасти ПРФ-110)
13 . .
2-12х8х40 ГОСТ 23360 . . . Шпонка . . . (запчасти ПРФ-110)
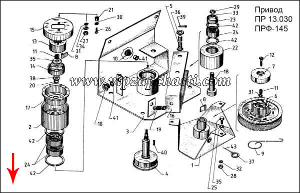
Привод ПР-13.030 ПРФ-110, ПРФ-145
1 . .
ПР 08.080А . . . Корпус возвр. Механизм Мех. Возвр. ПР 08.070 . . . (продам запчасти ПРФ-110)
2 . .
ПР 13.060 . . . Ролик . . . (запчасти ПРФ-110)
3 . .
ПР 13.040 . . . Кронштейн привода . . . (запчасти на пресс-подборщик)
4 . .
ПР 13.00.290 . . . Ось привода . . . (продам запчасти ПРФ-110)
5 . .
МЖТ-10.00.00.616-06 . . . Ось . . . (запчасти ПРФ-110)
6 . .
ПР 08.003А . . . Шкив малый . . . (запчасти на пресс-подборщик)
7 . .
ПР 08.411 . . . Колпачок . . . (продам запчасти ПРФ-110)
8 . .
ПР 08.415А . . . Язычок . . . (запчасти ПРФ-110)
9 . .
ПР 08.501 . . . Пружина спиральная . . . (запчасти на пресс-подборщик)
10 . .
ПР 08.609А . . . Глазок шпагата . . . (продам запчасти ПРФ-110)
11 . .
ПР 08.614А . . . Пружина . . . (запчасти ПРФ-110)
12 . .
ПР 08.615А . . . Спец. Болт . . . (запчасти на пресс-подборщик)
13 . .
ПР 13.002 . . . Каретка . . . (продам запчасти ПРФ-110)
14 . .
ПР 13.405 . . . Колпачок . . . (запчасти ПРФ-110)
15 . .
ПР 13.406 . . . Крышка . . . (запчасти на пресс-подборщик)
16 . .
ПР 13.415 . . . Скоба . . . (продам запчасти ПРФ-110)
17 . .
ПР 13.447 . . . Стакан . . . (запчасти ПРФ-110)
18 . .
ПР 13.604 . . . Ось . . . (запчасти на пресс-подборщик)
19 . .
ПР 13.633 . . . Пружина . . . (продам запчасти ПРФ-110)
20 . .
ПР 13.636 . . . Кольцо . . . (запчасти ПРФ-110)
21 . .
ПР 13.00.638 . . . Втулка . . . (запчасти на пресс-подборщик)
22 . .
ПР 13.804 . . . Прижим . . . (продам запчасти ПРФ-110)
23 . .
ПРТ 10.02.324-01 . . . Втулка . . . (запчасти ПРФ-110)
24 . .
180204 . . . Подшипник . . . (запчасти на пресс-подборщик)
25 . .
М8х25 ГОСТ 7796 . . . Болт . . . (продам запчасти ПРФ-110)
26 . .
М5х20 ГОСТ 17473 . . . Винт . . . (запчасти ПРФ-110)
27 . .
М6 ГОСТ 5915 . . . Гайка . . . (запчасти на пресс-подборщик)
28 . .
М8 ГОСТ 5915 . . . Гайка . . . (продам запчасти ПРФ-110)
29 . .
М10 ГОСТ 5915 . . . Гайка . . . (запчасти ПРФ-110)
30 . .
5.65Г ГОСТ 6402 . . . Шайба . . . (запчасти на пресс-подборщик)
31 . .
6.65Г ГОСТ 6402 . . . Шайба . . . (продам запчасти ПРФ-110)
32 . .
8.65Г ГОСТ 6402 . . . Шайба . . . (запчасти ПРФ-110)
33 . .
10.65Г ГОСТ 6402 . . . Шайба . . . (запчасти на пресс-подборщик)
34 . .
6 ГОСТ 11371 . . . Шайба . . . (продам запчасти ПРФ-110)
35 . .
8 ГОСТ 11371 . . . Шайба . . . (запчасти ПРФ-110)
36 . .
12 ГОСТ 11371 . . . Шайба . . . (запчасти на пресс-подборщик)
37 . .
20 ГОСТ 11371 . . . Шайба . . . (продам запчасти ПРФ-110)
38 . .
24 ГОСТ 11371 . . . Шайба . . . (запчасти ПРФ-110)
39 . .
3,2х25 ГОСТ 397 . . . Шплинт . . . (запчасти на пресс-подборщик)
40 . .
2-6х6х8 ГОСТ 23360 . . . Шпонка . . . (продам запчасти ПРФ-110)
41 . .
А20 ГОСТ 13942 . . . Кольцо . . . (запчасти ПРФ-110)
42 . .
А47 ГОСТ 13943 . . . Кольцо . . . (запчасти на пресс-подборщик)
43 . .
ПЭТ8(25)мм 48 ктекс Б . . . Канат ГОСТ 30055-93 L=800 мм (1 прядь) . . . (продам запчасти ПРФ-110)
Подборщик ПР-1,4.06.00.000 ПРФ-110, ПРФ-145
1 . .
ПР-1,4.06.01.010 . . . Труба с кронштейнами . . . (запчасти на пресс-подборщик)
2 . .
ПР-1,4.06.01.020 . . . Вал с дисками . . . (продам запчасти ПРФ-110)
3 . .
ПР-1,4.06.01.040 . . . Боковина правая . . . (запчасти ПРФ-110)
4 . .
ПР-1,4.06.02.000 . . . Щит правый . . . (запчасти на пресс-подборщик)
5 . .
ПР-1,4.06.03.000 . . . Щит левый . . . (продам запчасти ПРФ-110)
6 . .
ПР 07.00.090 . . . Кулачок ПР 07.00.080 Кулачок с роликом . . . (запчасти ПРФ-110)
7 . .
ПР 07.200 . . . Кронштейн . . . (запчасти на пресс-подборщик)
8 . .
ПР 07.00.220-01 . . . Державка зубьев ПР-1,4.06.01.030 Граблина . . . (продам запчасти ПРФ-110)
9 . .
ПР 07.00.230 . . . Муфта предохранительная См.Рис. 4В . . . (запчасти ПРФ-110)
10 . .
ПР-1,4.00.25.010 . . . Колесо ПР-1,4.00.25.000 Опора . . . (запчасти на пресс-подборщик)
11 . .
ПР-1,4.00.25.020 . . . Ось с шайбой ПР-1,4.00.25.000 Опора . . . (продам запчасти ПРФ-110)
12 . .
ПР-1,4.00.25.050 . . . Стойка ПР-1,4.00.25.000 Опора . . . (запчасти ПРФ-110)
13 . .
ПР-1,4.00.25.050-01 . . . Стойка ПР-1,4.00.25.000-01 Опора . . . (запчасти на пресс-подборщик)
14 . .
ПБ 16.01.002 . . . Подшипник . . . (продам запчасти ПРФ-110)
15 . .
ПБ 16.01.204 . . . Корпус подшипника Или Н 027.105 . . . (запчасти ПРФ-110)
16 . .
ПБ 16.01.403 . . . Шайба . . . (запчасти на пресс-подборщик)
17 . .
ПБ 16.01.418 . . . Шайба зуба . . . (продам запчасти ПРФ-110)
18 . .
ПБ 16.01.436 . . . Полукорпус Или Н 027.212 . . . (запчасти ПРФ-110)
19 . .
ПБ 16.01.605 . . . Ролик . . . (запчасти на пресс-подборщик)
20 . .
ПБ 16.01.607 . . . Зуб пружинный . . . (продам запчасти ПРФ-110)
21 . .
ПБ 16.01.803 . . . Втулка . . . (запчасти ПРФ-110)
22 . .
ПР 00.427 . . . Ригель . . . (запчасти на пресс-подборщик)
23 . .
ПР 07.423 . . . Шайба . . . (продам запчасти ПРФ-110)
24 . .
ПР 07.424 . . . Шайба стопорная . . . (запчасти ПРФ-110)
25 . .
ПР-1,4.00.25.401 . . . Шайба ПР-1,4.00.25.000/01 . . . (запчасти на пресс-подборщик)
26 . .
ПР-7А.07.03.801-03 . . . Втулка ПР-1,4.00.25.000/01 . . . (продам запчасти ПРФ-110)
27 . .
ПСБ 10.616 . . . Болт спец. М12х75 Или Болт М12х75 ГОСТ 7795 . . . (запчасти ПРФ-110)
28 . .
ПСБ 56.448 . . . Скат . . . (запчасти на пресс-подборщик)
29 . .
ПСБ 56.632 . . . Болт специальный Или М8х20 ГОСТ 7802 . . . (продам запчасти ПРФ-110)
30 . .
180204 . . . Подшипник ПР-1,4.00.25.000/01 . . . (запчасти ПРФ-110)
31 . .
180502 . . . Подшипник ПР 07.00.080 . . . (запчасти на пресс-подборщик)
32 . .
1680207 . . . Подшипник . . . (продам запчасти ПРФ-110)
34 . .
М8х25 ГОСТ 7796 . . . Болт . . . (запчасти на пресс-подборщик)
35 . .
М10х35 ГОСТ 7802 . . . Болт . . . (продам запчасти ПРФ-110)
36 . .
М10х40 ГОСТ 7802 . . . Болт . . . (запчасти ПРФ-110)
37 . .
М10х70 ГОСТ 7802 . . . Болт . . . (запчасти на пресс-подборщик)
38 . .
М12х70 ГОСТ 7802 . . . Болт . . . (продам запчасти ПРФ-110)
39 . .
М12х35 ГОСТ 7796 . . . Болт . . . (запчасти ПРФ-110)
40 . .
М8 ГОСТ 5915 . . . Гайка . . . (запчасти на пресс-подборщик)
41 . .
М10 ГОСТ 5915 . . . Гайка . . . (продам запчасти ПРФ-110)
42 . .
М12 ГОСТ 5915 . . . Гайка . . . (запчасти ПРФ-110)
43 . .
8.65Г ГОСТ 6402 . . . Шайба . . . (запчасти на пресс-подборщик)
44 . .
10.65Г ГОСТ 6402 . . . Шайба . . . (продам запчасти ПРФ-110)
45 . .
12.65Г ГОСТ 6402 . . . Шайба . . . (запчасти ПРФ-110)
46 . .
8 ГОСТ 11371 . . . Шайба . . . (запчасти на пресс-подборщик)
47 . .
12 ГОСТ 11371 . . . Шайба . . . (продам запчасти ПРФ-110)
48 . .
36х1,0 ГОСТ 11371 . . . Шайба . . . (запчасти ПРФ-110)
49 . .
В15 ГОСТ 13940 . . . Кольцо . . . (запчасти на пресс-подборщик)
50 . .
650-29.01.012 . . . Гайка . . . (продам запчасти ПРФ-110)
51 . .
В35 ГОСТ 13941 . . . Кольцо . . . (запчасти ПРФ-110)
52 . .
А47 ГОСТ 13943 . . . Кольцо . . . (запчасти на пресс-подборщик)
Основание камеры ПР-1,4.53.00.000 ПРФ-110, ПРФ-145
1 . .
ПР-1,4.01.000 . . . Ось . . . (запчасти ПРФ-110)
2 . .
ПР-1,4.53.00.405 . . . Планка . . . (запчасти на пресс-подборщик)
3 . .
М8-6gх25 ГОСТ 7796 . . . Болт . . . (продам запчасти ПРФ-110)
4 . .
М8-6Н ГОСТ 5915 . . . Гайка . . . (запчасти ПРФ-110)
5 . .
8.65Г ГОСТ 6402 . . . Шайба . . . (запчасти на пресс-подборщик)
6 . .
8 ГОСТ 11371 . . . Шайба . . . (продам запчасти ПРФ-110)
Колесо ПР-15.00.360 ПРФ-110, ПРФ-145
1 . .
Н 130.05.030 . . . Гайка со штифтом . . . (запчасти на пресс-подборщик)
2 . .
ПС-2,5.01.02.030 . . . Сальник или Н 130.04.020 . . . (продам запчасти ПРФ-110)
3 . .
Н 130.04.801 . . . Втулка сальника . . . (запчасти ПРФ-110)
4 . .
Н 130.05.001 . . . Прокладка . . . (запчасти на пресс-подборщик)
5 . .
Н 130.05.402 . . . Шайба . . . (продам запчасти ПРФ-110)
6 . .
Н 130.05.403 . . . Крышка . . . (запчасти ПРФ-110)
7 . .
Н 130.05.605 . . . Гайка . . . (запчасти на пресс-подборщик)
8 . .
ПР 05.611 . . . Полуось . . . (продам запчасти ПРФ-110)
9 . .
ПР 15.00.101 . . . Ступица . . . (запчасти ПРФ-110)
10 . .
ПС-2,5.01.02.604 . . . Гайка колеса . . . (запчасти на пресс-подборщик)
11 . .
ПС-2,5.01.02.606-01 . . . Шпилька . . . (продам запчасти ПРФ-110)
12 . .
ПР 05.00.446 . . . Обод . . . (запчасти ПРФ-110)
12 . .
ПР 05.00.446-01 . . . Обод . . . (запчасти на пресс-подборщик)
13 . .
7509Н . . . Подшипник . . . (продам запчасти ПРФ-110)
14 . .
7511 . . . Подшипник . . . (запчасти ПРФ-110)
15 . .
9.00-16(240-406) . . . Шина или 10.00-16 . . . (запчасти на пресс-подборщик)
16 . .
ВМ 6х16 ГОСТ 17473 . . . Винт . . . (продам запчасти ПРФ-110)
17 . .
6.65Г ГОСТ 6402 . . . Шайба . . . (запчасти ПРФ-110)
18 . .
М14-6gx30 ГОСТ 7796 . . . Болт . . . (запчасти на пресс-подборщик)
19 . .
2М14 ГОСТ 5915 . . . Гайка . . . (продам запчасти ПРФ-110)
Барабан ПР-1,4.53.04.000 ПРФ-110, ПРФ-145
1 . .
ПР-1,4.04.04.010 . . . Барабан . . . (запчасти на пресс-подборщик)
2 . .
ПР-1,4.04.04.020 . . . Звездочка Z=28 . . . (продам запчасти ПРФ-110)
3 . .
ПР-1,4.53.04.030 . . . Звездочка Z=26 . . . (запчасти ПРФ-110)
4 . .
ПР-1,4.04.04.808 . . . Втулка . . . (запчасти на пресс-подборщик)
5 . .
ПР 05.606-01 . . . Корпус подшипника . . . (продам запчасти ПРФ-110)
6 . .
ПР 11.00.401-03 . . . Кольцо . . . (запчасти ПРФ-110)
7 . .
ПР 11.00.401-06 . . . Кольцо . . . (запчасти на пресс-подборщик)
8 . .
ПРТ-7А.07.08.301-04 . . . Кольцо . . . (продам запчасти ПРФ-110)
9 . .
ПРТ-10.02.407 . . . Шайба . . . (запчасти ПРФ-110)
10 . .
ПРТ-10.02.415 . . . Шайба специальная . . . (запчасти на пресс-подборщик)
11 . .
1580211 . . . Подшипник . . . (продам запчасти ПРФ-110)
12 . .
2-12х8х40 ГОСТ 23360 . . . Шпонка . . . (запчасти ПРФ-110)
13 . .
2-16х10х45 ГОСТ 23360 . . . Шпонка . . . (запчасти на пресс-подборщик)

1 . .
ПР 13.030 . . . Привод . . . (запчасти ПРФ-110)
2 . .
ПР 14.350 . . . Хомут . . . (запчасти на пресс-подборщик)
3 . .
ПР 14.360 . . . Электродвигатель . . . (продам запчасти ПРФ-110)
4 . .
ПС-30.07.16.000 . . . Пульт управления . . . (запчасти ПРФ-110)
5 . .
45.7373.8006 . . . Штекер наружный . . . (запчасти на пресс-подборщик)
6 . .
М6-6gx30 ГОСТ 7796 . . . Болт . . . (продам запчасти ПРФ-110)
7 . .
М6-6Н ГОСТ 5915 . . . Гайка . . . (запчасти ПРФ-110)
8 . .
М16-6Н ГОСТ 5915 . . . Гайка . . . (запчасти на пресс-подборщик)
9 . .
6.65Г ГОСТ 6402 . . . Шайба . . . (продам запчасти ПРФ-110)
10 . .
16.65Г ГОСТ 6402 . . . Шайба . . . (запчасти ПРФ-110)
11 . .
А6 ГОСТ 11371 . . . Шайба . . . (запчасти на пресс-подборщик)
12 . .
А16 ГОСТ 11371 . . . Шайба . . . (продам запчасти ПРФ-110)
Приспособление для прессования льна ПРФ-110, ПРФ-145
12.11371 . . . Шайба . . . (пресс-подборщик ПРФ-110)
12.65Г.6402 . . . Шайба . . . (запчасти на пресс-подборщик)
М12.5915 . . . Гайка . . . (продам запчасти ПРФ-110)
ПР-1,4.30.00.000 . . . Стенка . . . (запчасти ПРФ-110)
ПР-1,4.31.00.000 . . . Вставка . . . (пресс-подборщик ПРФ-110)
ПР-1,4.31.00.000-01 . . . Вставка . . . (запчасти на пресс-подборщик)
ПР-1.00.03.000 . . . Решетка прижимная . . . (продам запчасти ПРФ-110)
ПР-1.00.03.000-01 . . . Решетка прижимная . . . (запчасти ПРФ-110)
ПР-1.30.00.000 . . . Стенка . . . (пресс-подборщик ПРФ-110)
ПР-1.31.00.000 . . . Вставка . . . (запчасти на пресс-подборщик)
ПР-1.31.00.000-01 . . . Вставка . . . (продам запчасти ПРФ-110)
Подборщик для льна ПР-1,4.12.00.000 ПРФ-110, ПРФ-145
10.65Г.6402 . . . Шайба . . . (продам запчасти ПРФ-110)
12.11371 . . . Шайба . . . (запчасти ПРФ-110)
12.65Г.6402 . . . Шайба . . . (пресс-подборщик ПРФ-110)
Гру.58 . . . Шайба . . . (запчасти на пресс-подборщик)
1680207 . . . Подшипник . . . (продам запчасти ПРФ-110)
180204 . . . Подшипник . . . (запчасти ПРФ-110)
180502 . . . Подшипник . . . (пресс-подборщик ПРФ-110)
2-8х7х25.23360 . . . Шпонка . . . (запчасти на пресс-подборщик)
8.11371 . . . Шайба . . . (продам запчасти ПРФ-110)
8.65Г.6402 . . . Шайба . . . (запчасти ПРФ-110)
А20.13942 . . . Кольцо . . . (пресс-подборщик ПРФ-110)
А47.13943 . . . Кольцо . . . (запчасти на пресс-подборщик)
В15.13940 . . . Кольцо . . . (продам запчасти ПРФ-110)
В35.13941 . . . Кольцо . . . (запчасти ПРФ-110)
М10.5915 . . . Гайка . . . (пресс-подборщик ПРФ-110)
М10х35.7802 . . . Болт . . . (запчасти на пресс-подборщик)
М10х40.7802 . . . Болт . . . (продам запчасти ПРФ-110)
М10х70.7802 . . . Болт . . . (запчасти ПРФ-110)
М12.5915 . . . Гайка . . . (пресс-подборщик ПРФ-110)
М12х35.7796 . . . Болт . . . (запчасти на пресс-подборщик)
М12х70.7802 . . . Болт . . . (продам запчасти ПРФ-110)
М8.5915 . . . Гайка . . . (запчасти ПРФ-110)
М8х20.7796 . . . Болт . . . (пресс-подборщик ПРФ-110)
М8х25.7796 . . . Болт . . . (запчасти на пресс-подборщик)
Н 027.105 . . . Корпус подшипника . . . (продам запчасти ПРФ-110)
ПБ 16.01.204 . . . Корпус подшипника . . . (запчасти ПРФ-110)
ПБ 16.01.418 . . . Шайба зуба . . . (пресс-подборщик ПРФ-110)
ПБ 16.01.605 . . . Ролик . . . (запчасти на пресс-подборщик)
ПБ 16.01.607 . . . Зуб пружинный . . . (продам запчасти ПРФ-110)
ПР 00.427 . . . Ригель . . . (запчасти ПРФ-110)
ПР 07.00.200 . . . Кронштейн . . . (пресс-подборщик ПРФ-110)
ПР 07.00.230 . . . Муфта предохранительная (см. рис. 12) . . . (запчасти на пресс-подборщик)
ПР 07.423 . . . Шайба . . . (продам запчасти ПРФ-110)
ПР-1,4.00.25.010 . . . Колесо (ПР-1,4.00.25.000-Опора) . . . (запчасти ПРФ-110)
ПР-1,4.00.25.020 . . . Ось с шайбой (ПР-1,4.00.25.000-Опора) . . . (пресс-подборщик ПРФ-110)
ПР-1,4.00.25.050 . . . Стойка (ПР-1,4.00.25.000-Опора) . . . (запчасти на пресс-подборщик)
ПР-1,4.00.25.050-01 . . . Стойка (ПР-1,4.00.25.000-01-Опора) . . . (продам запчасти ПРФ-110)
ПР-1,4.00.25.401 . . . Шайба . . . (запчасти ПРФ-110)
ПР-1,4.06.01.010 . . . Труба с кронштейнами . . . (пресс-подборщик ПРФ-110)
ПР-1,4.06.01.040 . . . Боковина правая . . . (запчасти на пресс-подборщик)
ПР-1,4.06.02.000 . . . Щит правый . . . (продам запчасти ПРФ-110)
ПР-1,4.06.03.000 . . . Щит левый . . . (запчасти ПРФ-110)
ПР-1,4.12.01.010 . . . Подшипник . . . (пресс-подборщик ПРФ-110)
ПР-1,4.12.01.020 . . . Вал с дисками . . . (запчасти на пресс-подборщик)
ПР-1,4.12.01.040 . . . Корпус подшипника . . . (продам запчасти ПРФ-110)
ПР-1,4.12.01.060 . . . Кулачок (ПР- 1,4.12.01.050-кулачок с роликом) . . . (запчасти ПРФ-110)
ПР-1,4.12.01.070 . . . Державка зубьев (ПР-1,4.12.0 1.030- граблина) . . . (пресс-подборщик ПРФ-110)
ПР-7А.07.03.801-03 . . . Втулка . . . (запчасти на пресс-подборщик)
ПСБ 56.448 . . . Скат . . . (продам запчасти ПРФ-110)
Механизм прессующий ПР-11.00.000-02 (ПР-Ф-145), ПР-11.00.000-04 (ПР-Ф-110) ПРФ-110, ПРФ-145
180706 К . . . Подшипник . . . (пресс-подборщик ПРФ-110)
ПР 11.00.401 . . . Кольцо . . . (запчасти на пресс-подборщик)
ПР 11.00.605 . . . Фиксатор . . . (продам запчасти ПРФ-110)
ПР 11.01 010-03 . . . Скалка . . . (запчасти ПРФ-110)
ПР 11.01.010-02 . . . Скалка . . . (пресс-подборщик ПРФ-110)
ПР 26.00.401 . . . Шайба защитная . . . (запчасти на пресс-подборщик)
ПР 26.00.402 . . . Втулка . . . (продам запчасти ПРФ-110)
ПР 26.00.801 . . . Втулка . . . (запчасти ПРФ-110)
ПР 26.01.000 . . . Подшипник . . . (пресс-подборщик ПРФ-110)
ПР-1,4.16.00.401 . . . Шайба защитная . . . (запчасти на пресс-подборщик)
ПРЛ-38,1-10700 . . . Цепь n=231зв./8801,1 мм . . . (продам запчасти ПРФ-110)
ПРЛ-38,1-10700 . . . Цепь n=231зв./8801,1 мм . . . (запчасти ПРФ-110)
Механизм прессующий ПР-1,4.17.00.000 (ПР-Ф-145), ПР-1,4.17.00.000-02 (ПР-Ф-110) ПРФ-110, ПРФ-145
180706 К . . . Подшипник . . . (запчасти ПРФ-110)
3,2х18.397 . . . Шплинт . . . (пресс-подборщик ПРФ-110)
ПР 04.01.010А . . . Звено переходное . . . (запчасти на пресс-подборщик)
ПР 04.01.401А . . . Звено соединительное . . . (продам запчасти ПРФ-110)
ПР 04.01.401А-01 . . . Звено соединительное . . . (запчасти ПРФ-110)
ПР 04.01.601А . . . Валик . . . (пресс-подборщик ПРФ-110)
ПР 11.00.401 . . . Кольцо . . . (запчасти на пресс-подборщик)
ПР 26.00.401 . . . Шайба защитная . . . (продам запчасти ПРФ-110)
ПР 26.00.401 . . . Шайба защитная . . . (запчасти ПРФ-110)
ПР 26.00.402 . . . Втулка . . . (пресс-подборщик ПРФ-110)
ПР 26.00.601-02 . . . Планка . . . (запчасти на пресс-подборщик)
ПР 26.00.601-03 . . . Планка . . . (продам запчасти ПРФ-110)
ПР 26.00.801 . . . Втулка . . . (запчасти ПРФ-110)
ПР 26.01.000 . . . Подшипник . . . (пресс-подборщик ПРФ-110)
ПР- 1,4.16.00.401 . . . Шайба защитная . . . (запчасти на пресс-подборщик)
ПРЛ-38, 1-10700 . . . Цепь n=63 зв. . . . (продам запчасти ПРФ-110)
ПРЛ-38, 1-10700 . . . Цепь n=63 зв. . . . (запчасти ПРФ-110)
ПРЛ-38, 1-10700 . . . Цепь n=63 зв. . . . (пресс-подборщик ПРФ-110)
Натяжное устройство оси ПР-1,4.03.02.000 ПРФ-110, ПРФ-145
12.65Г.6402 . . . Шайба . . . (запчасти на пресс-подборщик)
М12х35.7796 . . . Болт . . . (продам запчасти ПРФ-110)
М16.5915 . . . Гайка . . . (запчасти ПРФ-110)
ПР 02.437 . . . Тарелка . . . (пресс-подборщик ПРФ-110)
ПР 03.150 . . . Ползун . . . (запчасти на пресс-подборщик)
ПР 03.607 . . . Шпилька . . . (продам запчасти ПРФ-110)
ПР 03.608 . . . Пружина . . . (запчасти ПРФ-110)
ПР 03.611 . . . Планка . . . (пресс-подборщик ПРФ-110)
Узлы и сборочные единицы ПРФ-110, ПРФ-145
10.040.3000 10 . . . Передача карданная . . . (запчасти ПРФ-110)
3-50х28-160 (105.072.22.000) . . . Гидроцилиндр ОСТ 105-208-88 . . . (пресс-подборщик ПРФ-110)
ГУТ 44.609 . . . Пружина . . . (запчасти на пресс-подборщик)
МЖТ-10.56.00.000 . . . Передача карданная (МЖТ-Ф-11.37.00.000,10.040.300-10) . . . (продам запчасти ПРФ-110)
МЖТ-Ф-11.37.00.000 . . . Кардан передний . . . (запчасти ПРФ-110)
Н 036 83.130 . . . Рукав высокого давления 11-12 армир. L=1810 мм . . . (пресс-подборщик ПРФ-110)
Н 036.83 100 . . . Рукав высокого давления 11-12 армир. L=1210 мм . . . (запчасти на пресс-подборщик)
Н 036.83.030 . . . Рукав высокого давления 11-12 армир. L=510 мм . . . (продам запчасти ПРФ-110)
П-ПР-25, 4-6000 . . . Звено переходное . . . (запчасти ПРФ-110)
ПР 00.150 . . . Натяжник . . . (пресс-подборщик ПРФ-110)
ПР 00.629 . . . Пружина . . . (запчасти на пресс-подборщик)
ПР 00.790 . . . Натяжник . . . (продам запчасти ПРФ-110)
ПР 03.608 . . . Пружина . . . (запчасти ПРФ-110)
ПР 1,4 00 00.502 . . . Тяга подборщика . . . (пресс-подборщик ПРФ-110)
ПР-1,4.00.02.000 . . . Натяжник . . . (запчасти на пресс-подборщик)
ПР-1,4.00.04.000 . . . Рычаг . . . (продам запчасти ПРФ-110)
ПР-1,4.00.06.000 . . . Балка . . . (запчасти ПРФ-110)
ПР-1,4.00.06.000-01 . . . Балка . . . (пресс-подборщик ПРФ-110)
ПР-1,4.08 01.000-01 . . . Трубопровод . . . (запчасти на пресс-подборщик)
ПР-1,4.08.01.000 . . . Трубопровод . . . (продам запчасти ПРФ-110)
ПР-1,4.08.01.000-02 . . . Трубопровод . . . (запчасти ПРФ-110)
ПР-1,4.08.05.000 . . . Трубопровод . . . (пресс-подборщик ПРФ-110)
ПР-1,4.08.05.000-01 . . . Трубопровод . . . (запчасти на пресс-подборщик)
ПР-1,4.08.05.000-02 . . . Трубопровод . . . (продам запчасти ПРФ-110)
ПР-22.00.000 . . . Гидроцилиндр ОСТ 105-208-88 . . . (запчасти ПРФ-110)
ПР-25, 4-6000 . . . Цепь n=69 зв. . . . (пресс-подборщик ПРФ-110)
ПР-25, 4-6000 . . . Цепь n=69 зв. . . . (запчасти на пресс-подборщик)
ПР-25, 4-6000 . . . Цепь n=69 зв. . . . (продам запчасти ПРФ-110)
ПР-25, 4-6000 . . . Цепь n=69 зв. . . . (запчасти ПРФ-110)
ПР-25, 4-6000 . . . Цепь n=69 зв. . . . (пресс-подборщик ПРФ-110)
ПРЛ-38, 1-10700 . . . Цепь n=63 зв. . . . (запчасти на пресс-подборщик)
ПРЛ-38, 1-10700 . . . Цепь n=63 зв. . . . (продам запчасти ПРФ-110)
С-ПР-25, 4-6000 . . . Звено соединительное . . . (запчасти ПРФ-110)
С-ПР-38, 1-12700 . . . Звено соединительное . . . (пресс-подборщик ПРФ-110)
С-ПРЛ-38, 1-10700 . . . Звено соединительное . . . (запчасти на пресс-подборщик)