Запчасти на сеялку Franz Kleine SPL-6

Овощная сеялка SPL-6
Сеялки предназначенны для посева овощных культур(морковь, баклажаны, петрушка ридиска, , лук и т.д.) а также других семян схожих по форме, весу и размерам с вышеупомянутыми.

Запчасти на овощную сеялку точного высева SPL-6 (Румыния):


Посевная секция . . . . . SK12-06.00.000
1 . . . . . Кронштейн навески . . . . . SK12-06.01.000 (запчасти на сеялку)
2 . . . . . Кронштейн . . . . . SK12-06.02.000 (сеялка мультикорн)
3 . . . . . Планка . . . . . SK12-06.00.001 (запчасти на мультикорн)
4 . . . . . Втулка . . . . . SK12-06.010 (запчасти на сеялку)
5 . . . . . Кольцо стопорное . . . . . SK12-06.00.008 (сеялка мультикорн)
7 . . . . . Втулка . . . . . SK12-06.00.013 (запчасти на мультикорн)
14 . . . . . Втулка . . . . . SK12-06.00.012 (запчасти на сеялку)
17 . . . . . Кронштейн колеса . . . . . SK12-06.04.000 (сеялка мультикорн)
18 . . . . . Кронштейн . . . . . SK12-06.11.000 (запчасти на мультикорн)
19 . . . . . Кронштейн . . . . . SK12-06.05.000 (запчасти на сеялку)
20 . . . . . Втулка . . . . . SK12-06.00.011 (сеялка мультикорн)
21 . . . . . Планка . . . . . SK12-06.00.015 (запчасти на мультикорн)
23 . . . . . Диск колеса . . . . . SK12-06.03.006 (запчасти на сеялку)
24 . . . . . Шина резиновая (бандаж) . . . . . SK12-06.03.004 (сеялка мультикорн)
25 . . . . . Обойма . . . . . SK12-06.03.001 (запчасти на мультикорн)
26 . . . . . Корпус подшипника . . . . . SK12-06.03.002 (запчасти на сеялку)
27 . . . . . Ось колеса . . . . . SK12-06.03.003 (сеялка мультикорн)
28 . . . . . Кольцо . . . . . SK12-06.03.005 (запчасти на мультикорн)
33 . . . . . Подшипник 6205-2RS . . . . . (запчасти на сеялку)
35 . . . . . Планка . . . . . SK12-06.00.007 (сеялка мультикорн)
36 . . . . . Щиток . . . . . SK12-06.00.008 (запчасти на мультикорн)
37 . . . . . Кронштейн . . . . . SK12-06.10.000 (запчасти на сеялку)
38 . . . . . Корпус подшипника . . . . . SK12-06.00.009 (сеялка мультикорн)
39 . . . . . Кронштейн . . . . . SK12-06.10.000 (запчасти на мультикорн)
42 . . . . . Болт специальный . . . . . SK-5.58-0 (запчасти на сеялку)
43 . . . . . Болт специальный . . . . . SK12-06.09.000 (сеялка мультикорн)
44 . . . . . Шайба специальная . . . . . SK12-06.00.016 (запчасти на мультикорн)
45 . . . . . Звездочка . . . . . SK12-06.09.002 (запчасти на сеялку)
47 . . . . . Пружина . . . . . SK12-06.00.003 (сеялка мультикорн)
48 . . . . . Ограждение . . . . . SK12-06.00.005 (запчасти на мультикорн)
49 . . . . . Цепь . . . . . ПР-12,7-1820-1 (запчасти на сеялку)
50 . . . . . Кронштейн с натяжителем . . . . . SK12-06.08.100 (сеялка мультикорн)
51 . . . . . Натяжитель . . . . . SK12-06.07.001 (запчасти на мультикорн)
52 . . . . . Кронштейн . . . . . SK-5.54.1.0A (запчасти на сеялку)
55 . . . . . Подшипник 580205 АС17 . . . . . (сеялка мультикорн)
56 . . . . . Болт . . . . . SK12-06.00.004 (запчасти на мультикорн)


Высевающий аппарат . . . . . SK12-07.00.000
1 . . . . . Камера разряжения . . . . . SK12-07.01.000 (сеялка мультикорн)
2 . . . . . Ротор в сборе . . . . . SK12-07.02.000 (запчасти на мультикорн)
4 . . . . . Приемная камера . . . . . SK12-07.00.001 (запчасти на сеялку)
5 . . . . . Крышка . . . . . SK12-07.00.031 (сеялка мультикорн)
6 . . . . . Сошник . . . . . SK12-07.06.000 (запчасти на мультикорн)
7 . . . . . Съемник . . . . . SK12-07.00.003 (запчасти на сеялку)
8 . . . . . Втулка . . . . . SK12-07.00.004 (сеялка мультикорн)
9 . . . . . Шайба . . . . . SK12-07.00.005 (запчасти на мультикорн)
10 . . . . . Рычаг . . . . . SK12-07.00.007 (запчасти на сеялку)
11 . . . . . Шпилька . . . . . SK12-07.00.008 (сеялка мультикорн)
12 . . . . . Фиксатор . . . . . SK12-07.00.009 (запчасти на мультикорн)
14 . . . . . Пружина . . . . . SK12-07.00.011 (запчасти на сеялку)
15 . . . . . Рычаг . . . . . SK12-07.00.012 (сеялка мультикорн)
16 . . . . . Шпилька . . . . . SK12-07.00.013 (запчасти на мультикорн)
19 . . . . . Планка закрывающая . . . . . SK12-07.00.014 (запчасти на сеялку)
20 . . . . . Втулка . . . . . SK12-07.00.015 (сеялка мультикорн)
22 . . . . . Шайба стопорная . . . . . SK12-07.00.025 (запчасти на мультикорн)
23 . . . . . Пружина . . . . . SK12-07.00.017 (запчасти на сеялку)
25 . . . . . Крепление . . . . . SK12-07.00.026 (сеялка мультикорн)
26 . . . . . Съемник в сборе . . . . . SK12-07.03.000 (запчасти на мультикорн)
27 . . . . . Бункер семян . . . . . SK12-07.00.032 (запчасти на сеялку)
28 . . . . . Крышка бункера . . . . . SK12-07.00.033 (сеялка мультикорн)
30 . . . . . Подшипник 6006-2RS . . . . . (запчасти на мультикорн)
31 . . . . . Пружинное кольцо 30х1,5 . . . . . (запчасти на сеялку)
34 . . . . . Манжета . . . . . AS 190х220х12 (сеялка мультикорн)
36 . . . . . Кольцо 180х2 . . . . . SK12-07.00.018 (запчасти на мультикорн)
39 . . . . . Рычаг правый . . . . . SK12-07.04.000 (запчасти на сеялку)
40 . . . . . Рычаг левый . . . . . SK12-07.04.000-01 (сеялка мультикорн)
41 . . . . . Шайба регулировочная . . . . . SK12-07.00.019 (запчасти на мультикорн)
42 . . . . . Шайба регулировочная . . . . . SK12-07.00.019-01 (запчасти на сеялку)
43 . . . . . Шайба регулировочная . . . . . SK12-07.00.019-02 (сеялка мультикорн)
44 . . . . . Шайба регулировочная . . . . . SK12-07.00.019-03 (запчасти на мультикорн)
48 . . . . . Шрифт пружинный G8x22 . . . . . (запчасти на сеялку)
74 . . . . . Шрифт пружинный G5x30 . . . . . (сеялка мультикорн)
75 . . . . . Шрифт пружинный G5x36 . . . . . (запчасти на мультикорн)
80 . . . . . Диск распределительный d.2х30 . . . . . SK12-07.07.000 (запчасти на сеялку)
81 . . . . . Звездочка Z=22 . . . . . SK12-07.00.002 (сеялка мультикорн)
82 . . . . . Гайка специальная . . . . . SK12-07.00.021 (запчасти на мультикорн)


Палецевый-прижимной ролик . . . . . SK12-08.00.000
1 . . . . . Ось . . . . . SK12-08.00.006 (сеялка мультикорн)
2 . . . . . Загортач . . . . . SK12-08.02.000 (запчасти на мультикорн)
3 . . . . . Втулка в сборе . . . . . SK12-08.01.000 (запчасти на сеялку)
4 . . . . . Кронштейн . . . . . SK12-08.03.000 (сеялка мультикорн)
5 . . . . . Штифт пружинный 5х36 . . . . . (запчасти на мультикорн)
6 . . . . . Болт барашек . . . . . SK12-08.05.000 (запчасти на сеялку)
7 . . . . . Штифт пружинный 5х24 . . . . . (сеялка мультикорн)
8 . . . . . Кронштейн в сборе . . . . . SK12-08.04.000 (запчасти на мультикорн)
12 . . . . . Подшипник 6001-2RS . . . . . (запчасти на сеялку)
13 . . . . . Прикатывающее колесо . . . . . SK12-08.00.001 (сеялка мультикорн)
14 . . . . . Пружина растяжная . . . . . SK12-08.00.004 (запчасти на мультикорн)
16 . . . . . Палец . . . . . SK12-08.00.005 (запчасти на сеялку)
17 . . . . . Пружина . . . . . SK12-08.00.003 (сеялка мультикорн)
18 . . . . . Пластина . . . . . SK12-08.00.002 (запчасти на мультикорн)


Сошник . . . . . SPP8-07.02.000
1 . . . . . Кронштейн . . . . . SPP8-07.02.100 (запчасти на мультикорн)
2 . . . . . Сошник . . . . . SPP8-07.02.200 (запчасти на сеялку)
3 . . . . . Тяга . . . . . SPP8-07.02.300 (сеялка мультикорн)
4 . . . . . Шайба . . . . . SPP8-07.02.001 (запчасти на мультикорн)
5 . . . . . Пружина . . . . . SPP8-07.02.002 (запчасти на сеялку)
6 . . . . . Крышка . . . . . SPP8-07.02.004 (сеялка мультикорн)
7 . . . . . Пластина . . . . . SPP8-06.00.020 (запчасти на мультикорн)


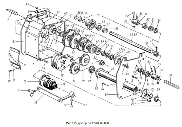
Редуктор . . . . . SK12-04.00.000
1 . . . . . Корпусная часть . . . . . SK12-04.04.000 (сеялка мультикорн)
5 . . . . . Накладка . . . . . SK12-04.00.001 (запчасти на мультикорн)
6 . . . . . Вал . . . . . SK12-04.00.008 (запчасти на сеялку)
8 . . . . . Кулиса . . . . . SK12-04.00.009 (сеялка мультикорн)
11 . . . . . Болт-барашек . . . . . SK12-04.06.000 (запчасти на мультикорн)
13 . . . . . Рычаг . . . . . SK12-04.05.000 (запчасти на сеялку)
14 . . . . . Кожуг гофрированный . . . . . SK12-04.06.000 (сеялка мультикорн)
16 . . . . . Подшипник 6205-2RS . . . . . (запчасти на мультикорн)
18 . . . . . Корпус . . . . . SK12-04.01.100 (запчасти на сеялку)
19 . . . . . Шестерня I компл. . . . . . SK12-04.01.001 (сеялка мультикорн)
20 . . . . . Шестерня II компл. . . . . . SK12-04.04-010 (запчасти на мультикорн)
21 . . . . . ВтулкаI . . . . . SK12-04.01.002 (запчасти на сеялку)
22 . . . . . Втулка II . . . . . SK12-04.01.003 (сеялка мультикорн)
23 . . . . . Труба переключения . . . . . SK12-04.07.000 (запчасти на мультикорн)
26 . . . . . Фланец II . . . . . SK12-04.03.002 (запчасти на сеялку)
28 . . . . . Кольцо 40х3 . . . . . SK12-04.03.003 (сеялка мультикорн)
29 . . . . . Крышка . . . . . SK12-04.02.008 (запчасти на мультикорн)
30 . . . . . Муфта . . . . . SK12-04.02.005 (запчасти на сеялку)
31 . . . . . Пружина . . . . . SK12-04.02.009 (сеялка мультикорн)
32 . . . . . Шайба упорная . . . . . SK12-04.02.007 (запчасти на мультикорн)
33 . . . . . Кольцо стопорное А20 . . . . . SK12-04.02.004 (запчасти на сеялку)
34 . . . . . Штифт пружинный G6х36 . . . . . STAS9729/2-80 (сеялка мультикорн)
37 . . . . . Штифт пружинный G4х26 . . . . . STAS9729/2-80 (запчасти на мультикорн)
38 . . . . . Кольцо упорное . . . . . SK12-04.00.013 (запчасти на сеялку)
39 . . . . . Вал . . . . . SK12-04.02.003 (сеялка мультикорн)
40 . . . . . Корпус II . . . . . SK12-04.02.002 (запчасти на мультикорн)
41 . . . . . Втулка . . . . . SK12-04.02.006 (запчасти на сеялку)
42 . . . . . Корпус с флянчем I . . . . . SK12-04.02.100 (сеялка мультикорн)
43 . . . . . Шестерня III . . . . . SK12-04.00.002 (запчасти на мультикорн)
44 . . . . . Шайба . . . . . SK12-04.00.015 (запчасти на сеялку)
45 . . . . . Шестерня IV . . . . . SK12-04.00.003 (сеялка мультикорн)
46 . . . . . Шестерня V . . . . . SK12-04.00.004 (запчасти на мультикорн)
47 . . . . . Шестерня VI . . . . . SK12-04.00.005 (запчасти на сеялку)
48 . . . . . Шестерня VIII . . . . . SK12-04.00.007 (сеялка мультикорн)
50 . . . . . Боковой листо II . . . . . SK12-04.03.001 (запчасти на мультикорн)
51 . . . . . Боковой листо II . . . . . SK12-04.02.001 (запчасти на сеялку)
53 . . . . . Втулка . . . . . SK12-04.00.011 (сеялка мультикорн)
55 . . . . . Шестерня VII . . . . . SK12-04.00.006 (запчасти на мультикорн)
57 . . . . . Зажимная скоба . . . . . SK12-04.08.000 (запчасти на сеялку)


Приводная консоль . . . . . SK12-05.00.000
1 . . . . . Консоль опорного колеса . . . . . SK12-05.01.000 (запчасти на мультикорн)
2 . . . . . Крышка . . . . . SK12-05.00.001 (запчасти на сеялку)
3 . . . . . Звездочка Z-11 . . . . . SK12-05.00.002 (сеялка мультикорн)
4 . . . . . Ось . . . . . SK12-05.00.003 (запчасти на мультикорн)
5 . . . . . Цепь 66 звеньев . . . . . ПР-15,875-2270-2 (запчасти на сеялку)
6 . . . . . Корпус подшипника . . . . . SK12-05.00.004 (сеялка мультикорн)
7 . . . . . Втулка . . . . . SK12-05.00.005 (запчасти на мультикорн)
8 . . . . . Блок звездочек I (Z18/Z21) . . . . . SK12-05.06.000 (запчасти на сеялку)
9 . . . . . Блок звездочек II (Z18/Z21) . . . . . SK12-05.05.000 (сеялка мультикорн)
10 . . . . . Цепь 38 звеньев . . . . . ПР-15,875-2270-2 (запчасти на мультикорн)
11 . . . . . Пластина . . . . . SK12-05.00.006 (запчасти на сеялку)
15 . . . . . Болт . . . . . SK12-05.00.010 (сеялка мультикорн)
16 . . . . . Крышка . . . . . SK12-05.00.001-01 (запчасти на мультикорн)
17 . . . . . Планка . . . . . SK12-05.00.009 (запчасти на сеялку)
20 . . . . . Натяжной ролик . . . . . SK12-05.04.000 (сеялка мультикорн)
21 . . . . . Натяжитель . . . . . SK12-05.03.000 (запчасти на мультикорн)
22 . . . . . Фланец в сборе . . . . . SK12-05.02.030 (запчасти на сеялку)
23 . . . . . Ось с фланцем . . . . . SK12-05.02.010 (сеялка мультикорн)
24 . . . . . Шпонка А8х7х18 . . . . . STAS1004-61 (запчасти на мультикорн)
25 . . . . . Звездочка Z-14 . . . . . SK12-05.02.001 (запчасти на сеялку)
26 . . . . . Подшипник 6205-2RS . . . . . (сеялка мультикорн)
27 . . . . . Втулка . . . . . SK13-05.02.002 (запчасти на мультикорн)
28 . . . . . Штифт пружинный 5х30 . . . . . (запчасти на сеялку)
29 . . . . . Стопор . . . . . SK12-05.07.000 (сеялка мультикорн)
30 . . . . . Подшипник 580205 АС17 . . . . . (запчасти на мультикорн)
31 . . . . . Пружина . . . . . SK12-05.00.008 (запчасти на сеялку)
33 . . . . . Ось . . . . . SK12-00.00.002 (сеялка мультикорн)
34 . . . . . Кольцо . . . . . SK12-05.00.011 (запчасти на мультикорн)
36 . . . . . Втулка . . . . . SK12-05.00.012 (запчасти на сеялку)
38 . . . . . Шрифт пружинный G4x40 . . . . . (сеялка мультикорн)
40 . . . . . Болт специальный . . . . . SK12-05.02.011 (запчасти на мультикорн)
41 . . . . . Гайка . . . . . SK12-05.02.012 (запчасти на сеялку)
45 . . . . . Покрыдка 5,00-15Т . . . . . (сеялка мультикорн)
46 . . . . . Камера 5,00-15 . . . . . (запчасти на мультикорн)
47 . . . . . Диск колеса 3,00Dx15 . . . . . 43-31.011 (запчасти на сеялку)


Опорная консоль . . . . . SK12-05.00.000-01
1 . . . . . Консоль опорного колеса . . . . . SK12-05.01.000 (запчасти на мультикорн)
2 . . . . . Контрпривод . . . . . SK12-05.02.030 (запчасти на сеялку)
3 . . . . . Ось с фланцем . . . . . SK12-05.02.010 (сеялка мультикорн)
4 . . . . . Болт специальный . . . . . SK12-05.02.011 (запчасти на мультикорн)
5 . . . . . Гайка . . . . . SK12-05.02.012 (запчасти на сеялку)
6 . . . . . Крышка . . . . . SK12-05.00.001 (сеялка мультикорн)
7 . . . . . Подшипник 6205-2RS . . . . . (запчасти на мультикорн)
8 . . . . . Втулка . . . . . SK12-05.02.002 (запчасти на сеялку)
9 . . . . . Втулка . . . . . SK12-05.02.003 (сеялка мультикорн)
10 . . . . . Шрифт пружинный G4x40 . . . . . (запчасти на мультикорн)
11 . . . . . Пластина . . . . . SK12-05.00.006 (запчасти на сеялку)
15 . . . . . Пластина . . . . . SK12-05.00.009 (сеялка мультикорн)
19 . . . . . Шина 5,00-15Т . . . . . (запчасти на мультикорн)
20 . . . . . Камера 5,00-15 . . . . . (запчасти на сеялку)
21 . . . . . Диск колеса 3,00Dx15 . . . . . 43-31.011 (сеялка мультикорн)


Тележка продольного перемещения . . . . . SK12-18.00.000
1 . . . . . Труба тележки . . . . . SK12-18.00.070 (запчасти на сеялку)
2 . . . . . Кронштейн . . . . . SK12-18.00.050 (сеялка мультикорн)
3 . . . . . Хомут . . . . . SK12-18.00.051 (запчасти на мультикорн)
4 . . . . . Фиксатор . . . . . SK12-18.00.060 (запчасти на сеялку)
5 . . . . . Шплинт . . . . . SPP6-10.00.003 (сеялка мультикорн)
12 . . . . . Консоль с осью . . . . . SK12-18-00.110 (запчасти на мультикорн)
13 . . . . . Ступица . . . . . SK12-09.00.029 (запчасти на сеялку)
14 . . . . . Втулка . . . . . BP.096 (сеялка мультикорн)
15 . . . . . Подшипник 6206-2RS . . . . . (запчасти на мультикорн)
16 . . . . . Крышка . . . . . BP.330 (запчасти на сеялку)
17 . . . . . Шайба . . . . . N.130.02.406 (сеялка мультикорн)
20 . . . . . Шина 5,00-15Т . . . . . (запчасти на мультикорн)
21 . . . . . Камера 5,00-15 . . . . . (запчасти на сеялку)
22 . . . . . Диск 3,00Dx15 . . . . . (сеялка мультикорн)
23 . . . . . Болт . . . . . SK12-05.02.011 (запчасти на мультикорн)
24 . . . . . Гайка . . . . . SK12-05.02.012 (запчасти на сеялку)


Дозатор . . . . . SPP6-07.08.000
1 . . . . . Кронштейн дозатора . . . . . SPP6-07.08.100 (сеялка мультикорн)
2 . . . . . Шнек . . . . . SPP6-07.08.200 (запчасти на мультикорн)
3 . . . . . Бункер дозатора . . . . . SPP6-07.08.001 (запчасти на сеялку)
4 . . . . . Приводной вал . . . . . SPP6-07.08.002 (сеялка мультикорн)
5 . . . . . Втулка . . . . . SPP6-07.08.003 (запчасти на мультикорн)
6 . . . . . Направляющая . . . . . SPP6-07.08.004 (запчасти на сеялку)
7 . . . . . Вал дозатора . . . . . SPP6-07.08.005 (сеялка мультикорн)
8 . . . . . Дозатор . . . . . SPP6-07.08.006 (запчасти на мультикорн)
9 . . . . . Воронка . . . . . SPP6-07.08.007 (запчасти на сеялку)
10 . . . . . Звездочка . . . . . SPP6-07.08.008 (сеялка мультикорн)
11 . . . . . Звездочка . . . . . SPP6-07.08.008-01 (запчасти на мультикорн)
12 . . . . . Шайба . . . . . SPP6-07.08.009 (запчасти на сеялку)
13 . . . . . Пробка . . . . . SPP6-07.08.010 (сеялка мультикорн)
14 . . . . . Клапан . . . . . SPP6-07.08.011 (запчасти на мультикорн)
30 . . . . . Шпонка сегментная 5х9 . . . . . (запчасти на сеялку)
31 . . . . . Шрифт пружинный 5х28 . . . . . (сеялка мультикорн)
32 . . . . . Цепь 26 звеньев . . . . . ПР12,7-1820-1 (запчасти на мультикорн)
33 . . . . . Звено соединительное . . . . . С-ПР-12,7-1820-1 (запчасти на сеялку)


Эксгаустер . . . . . SK12-02.00.000-01
1 . . . . . Боковина передняя . . . . . SK12-02.01.000 (запчасти на мультикорн)
2 . . . . . Боковина задняя . . . . . SK12-02.02.000 (запчасти на сеялку)
3 . . . . . Крыльчатка . . . . . SK12-02.03.000 (сеялка мультикорн)
4 . . . . . Зачлонка . . . . . SK12-02.05.000 (запчасти на мультикорн)
5 . . . . . Рычаг . . . . . SK12-02.06.000 (запчасти на сеялку)
6 . . . . . Конус . . . . . SK12-02.07.000 (сеялка мультикорн)
7 . . . . . Вал . . . . . SK12-02.08.100 (запчасти на мультикорн)
8 . . . . . Корпус . . . . . SK12-02.08.400 (запчасти на сеялку)
9 . . . . . Втулка . . . . . SK12-02.00.003 (сеялка мультикорн)
10 . . . . . Шкив . . . . . SK12-02.00.009 (запчасти на мультикорн)
11 . . . . . Гайка . . . . . SK12-02.00.011 (запчасти на сеялку)
12 . . . . . Болт . . . . . SK12-02.00.014 (сеялка мультикорн)
13 . . . . . Кронштейн . . . . . SK12-02.00.015 (запчасти на мультикорн)
14 . . . . . Диск . . . . . SK12-02.00.016 (запчасти на сеялку)
31 . . . . . Штифт пружинный 4х20 . . . . . (сеялка мультикорн)
32 . . . . . Шпонка 6х7х40 . . . . . (запчасти на мультикорн)
33 . . . . . Подшипник 6207-2RS . . . . . (запчасти на сеялку)


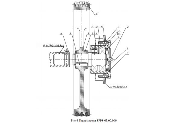
Трансмиссия . . . . . SPP8-03.00.000
1 . . . . . Стакан . . . . . SPP8-03.00.010 (запчасти на мультикорн)
2 . . . . . Шкив . . . . . SPP8-03.00.001 (запчасти на сеялку)
3 . . . . . Вал . . . . . SPP8-03.00.002 (сеялка мультикорн)
4 . . . . . Втулка . . . . . SPP8-03.00.003 (запчасти на мультикорн)
5 . . . . . Крышка . . . . . SPP8-03.00.004 (запчасти на сеялку)
6 . . . . . Кольцо сальниковое . . . . . SPP8-03.00.006 (сеялка мультикорн)
13 . . . . . Подшипник 6207 . . . . . (запчасти на мультикорн)
14 . . . . . Подшипник 6207-2RS . . . . . (запчасти на сеялку)
15 . . . . . Ремень клиновой А13х8-1250 . . . . . (сеялка мультикорн)
16 . . . . . Вал карданный . . . . . B2070 BUNI3228 RL1 (запчасти на мультикорн)


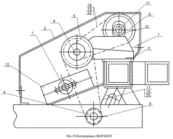
Контрпривод . . . . . SK8FS / 6FS
1 . . . . . Кронштейн . . . . . SK8-07.02.000 (запчасти на мультикорн)
2 . . . . . Кожух . . . . . SK8-08.00.000 (запчасти на сеялку)
3 . . . . . Уголок . . . . . SK8-15.00.000 (сеялка мультикорн)
4 . . . . . Звездочка . . . . . SK8-07.05.100 (запчасти на мультикорн)
5 . . . . . Звездочка . . . . . SPP12.00.000-01 (запчасти на сеялку)
6 . . . . . Звездочка . . . . . SPP6-05.00.014 (сеялка мультикорн)
7 . . . . . Ролик . . . . . SPP6-05.00.008 (запчасти на мультикорн)
8 . . . . . Ось . . . . . SK8-07.00.005 (запчасти на сеялку)
9 . . . . . Вал . . . . . SK8-07.00.006 (сеялка мультикорн)
10 . . . . . Корпус . . . . . SPP6-05.00.001 (запчасти на мультикорн)
11 . . . . . Вал . . . . . SPP6-05.00.001 (запчасти на сеялку)
12 . . . . . Пластина . . . . . SK8-05.15.001 (сеялка мультикорн)
13 . . . . . Натяжитель . . . . . SPP6-05.07.000 (запчасти на мультикорн)
14 . . . . . Натяжитель . . . . . SPP6-05.06.000 (запчасти на сеялку)
15 . . . . . Кронштейн . . . . . SK8-07.00.003 (сеялка мультикорн)
17 . . . . . Цепь L=889 . . . . . ПР12,7-1820-2 (запчасти на мультикорн)
18 . . . . . Цепь L=838,2 . . . . . ПР12,7-1820-3 (запчасти на сеялку)
19 . . . . . Звено соединительное . . . . . С-ПР12,7-1820-2 (сеялка мультикорн)
20 . . . . . Звено соединительное . . . . . С-ПР12,7-1820-2 (запчасти на мультикорн)

Бункер . . . . . SK8-07.11.000 (сеялка мультикорн)
Крышка . . . . . SK8-07.11.100 (запчасти на мультикорн)
Бункер . . . . . SK8-07.11.100 (запчасти на сеялку)

Механизм подъема маркеров . . . . . SK12-13.00.000 (запчасти на сеялку)
Гидроцилиндр Ц40х250-11 . . . . . OST23.197-80 (сеялка мультикорн)

Прицеп . . . . . SK12-09.00.000 (запчасти на сеялку)
Маркер . . . . . SPP8-09.00.000 (сеялка мультикорн)
Опорная стойка . . . . . SPP6-10.00.000 (запчасти на мультикорн)

Фирмы по ...

ППФ "Рембус"
подшипники на тарактора, комбайны John Deere, Claas, Case, Massey Ferguson, Fortschritt
подбор подшипников по размерам
тел. (050) 716-28-30, (0532) 69-07-64
г.Лубны, Полтавская обл.
e-mail: vipzapchasti@ukr.net
Реклама на странице 100грн

Ваш Баннер


(050) 716-28-30

грузовые автомобили, автобусы

трактора, комбайни      сельскохозяйственная техника

строительная техника      специализированные фирмы


каталог фирм

фирмы по автомобильным маслам   фірми по фильтрам

фірми по колесам   фірми по підшипниках

фірми по пасах   Ремкомплекты, РТИ

фірми по підвіскам   тормозная система запчасти

фірми по стеклам   фірми по системі охолодження

фірми по автоелектриці   глушители, резонаторы

главная страница