
![]() |
Жатки со сплошной рамой Жатки со складной рамой СКАЧАТЬ каталог кукурузной жатки Capello |
![]() привод шнека Capello (ланцюговий) |
|
|
1 03.4235.00 шнек 2 02.2015.00 шпонка 10х8х40 3 01.0260.00 зірочка шнека Z68 5/8" 4 03.2029.01 ланцюг ASA 50 5 01.0657.00 зірочка натяжна Z17 5/8" 6 01.0648.00 вісь натяжної зірочки 7 03.2026.00 підшипник 1726207-2RS1 8 03.2025.00 корпус підшипника 9 02.2065.00 болт М12х60 10 01.1020.00 вал шестигранний 640мм 11 01.1025.00 вал шестигранний 500мм 12 01.0161.02 фіксатор 13 04.5119.02 муфта запобіжна приода редуктора 14 03.4010.00 ланцюг зєднувальний ASA60 |
15 02.2085.00 кільце стопорне 16 01.0510.01 зірочка Z12 ASA60 17 04.0406.01 муфта запобіжна + привід шнека 18 01.0405.01 втулка 19 02.1020.00 кільце стопорне 45х1,75 20 02.2103.00 шайба захистна 21 01.0219.00 корпус підшипника 22 02.1032.00 підшипник 1726209-2RS1 23 02.2039.00 втулка 24 02.2013.00 гайка М20 25 02.2014.00 шайба 20х40х5 26 01.0796.00 вал шестигранний L=285 27 03.4007.00 ланка зєднувальна ASA60 28 03.4058.00 ланка зєднувальна ASA50 |
![]() 01.0260.00 зірочка шнека Z68 5/8" Capello |
![]() 04.0406.01 муфта запобіжна приода шнека |
![]() 01088300 зірочка трищітки Z-20 Капелло на схемі нема (це зірочка муфти запобіжної) |
Потрібні запчастини ЗВОНІТЬ Артем (097)329-93-25 Валера (050)716-28-30 пишіть у Вайбер або на пошту borblik@ukr.net vipzapchasti@ukr.net |
![]() 03.4010.00 ланцюг зєднувальний ASA60 |
![]() 01.0510.01 зірочка Z12 Capello позиція 16 |
![]() 01.0219.00 корпус підшипника |
![]() 02.1032.00 підшипник 1726209-2RS1 |
![]() 01.0161.02 фіксатор на шестигранний вал 30мм Capello |
![]() 01.0405.01 втулка Capello ![]() 01040501 втулка Capello |
![]() 01.0657.00 зірочка натяжна Z17 Capello |
![]() 01.0796.00 вал шестигранний L=285 Capello |
![]() 01.1020.00 вал шестигранний 640мм |
![]() 01.1025.00 вал шестигранний 500мм |
![]() 04.5119.02 муфта запобіжна приода редуктора Capello ![]() 04.5119.02 муфта запобіжна приода редуктора Capello |
Потрібні запчастини ЗВОНІТЬ Артем (097)329-93-25 Валера (050)716-28-30 пишіть у Вайбер або на пошту borblik@ukr.net vipzapchasti@ukr.net |
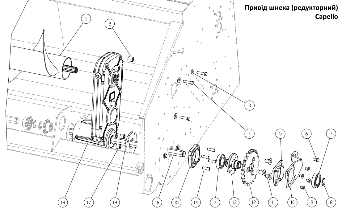
![]() привод шнека Capello (редуктор) |
|
|
1 03.4260.00 шнек 2 01.1217.00 втулка 3 02.1053.00 шайба 12х30х4 4 02.2033.00 болт М12х50 5 01.0301.00 корпус підшипника 6 02.2091.00 болт 7 02.1032.00 підшипник 1726209-2RS1 8 02.2085.00 кільце стопорне 24 9 02.2129.00 гввинт М12х20 10 01.1500.00 кронштейн |
11 01.1059.00 гвинт 12 01.1197.00 зірочка приводна ASA80 13 01.1505.00 ступиця приводної зірочки 14 02.2068.00 гвинт М12х30 15 01.0300.00 корпус підшипника 16 01.1510.00 вал шестигранний 770мм 17 01.1207.00 втулка 18 04.4500.00 редуктор привода шнека 19 01.1515.00 фланец |
![]() 04.4500.00 редуктор привода шнека ![]() 04.4500.00 редуктор привода шнека |
|
![]() 01.1515.00 фланец Капелло |
![]() 01.0300.00 корпус підшипника Capello ![]() 01030000 корпус підшипника Capello |
![]() 01.0301.00 корпус підшипника Capello ![]() 01030100 корпус підшипника Capello |
![]() 02.1032.00 підшипник 1726209-2RS1 |
![]() 01.1505.00 ступиця приводної зірочки Capello ![]() 01150500 ступиця приводної зірочки Capello |
![]() 01.1510.00 вал шестигранний 770мм Capello |
- - - |
- - - |
![]() редуктор привода шнека Capello |
|
|
1 04.4500.00 редуктор привода шнека 2 02.4430.00 сальник 50х80х8 3 02.4431.00 кільце стопорне 80х4 4 04.5034.00 підшипник 6010 5 04.4501.00 шайба 6 04.4502.00 вал 7 02.4432.00 шпонка 16х10х30 8 04.4503.00 шестерня Z45 9 02.4433.00 сальник 50х72х8 10 04.4504.00 корпус редуктора 11 04.4505.00 кришка 12 04.5062.00 болт М8х20 13 02.4434.00 заглушка 85х10 14 02.4435.00 кільце стопорне 85х3,0 15 02.4436.00 підшипник 6209 16 04.4506.00 шайба 65,3х45,30х2,5 17 04.4507.00 вісь |
18 02.4437.00 сальнік 50х90х10 19 02.4438.00 кільце стопорне 90х3,0 20 02.4439.00 підшипник 6210 21 04.4508.00 вал шестерня 22 02.4440.00 кільце стопорне 50х3,0 23 04.4509.00 шайба 50,2х59,8х2,5 24 04.4510.00 муфта запобіжна 25 04.4511.00 пробка 26 02.4441.00 кільце стопорне 120х4,0 27 04.4512.00 шайба 65,3х79,7х1 28 02.4442.00 кільце стопорне 65х2,5 29 02.4443.00 підшипник 6213 30 02.4444.00 сальник 65х120х10 31 04.4513.00 шайба захистна 32 04.4514.00 втулка перехідна 33 04.4515.00 шайба 40,3х46,7х1 34 02.4445.00 кільце стопорне 47х1,75 |
![]() 04.4502.00 вал Capello ![]() 04450200 вал Capello |
![]() 04.4503.00 шестерня Z45 Capello ![]() 04450300 шестерня Z45 Capello |
![]() 04.4507.00 вісь Capello ![]() 04450700 вісь Capello |
Потрібні запчастини ЗВОНІТЬ Артем (097)329-93-25 Валера (050)716-28-30 пишіть у Вайбер або на пошту borblik@ukr.net vipzapchasti@ukr.net |
![]() 04.4508.00 вал шестерня Capello ![]() 04450800 вал шестерня Capello |
![]() 04.4510.00 муфта запобіжна Capello ![]() 04451000 муфта запобіжна Capello |
![]() 04.4514.00 втулка перехідна Capello ![]() 04451400 втулка перехідна Capello |
![]() 04.4513.00 шайба захистна Capello |
| - - - | - - - |












