
| Модельний ряд жатор Geringhoff | |||||||
| Geringhoff PCA | Rota Disc | Mais Star | Mais Star SC | Mais Star Horison | Horizon Star | Horizon Star II | Horizon Star III |
![]() |
Жатки модельний ряд Geringhoff Horizon Star Каталог на кукурузну жатки Geringhoff Horizon Star ЗАВАНТАЖИТИ - - - 2006р ЗАВАНТАЖИТИ - - - 2012р |
![]() - - - |
|
|
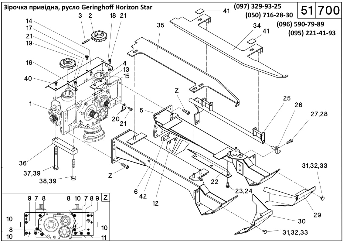
1 502795 редуктор в зборі Geringhoff Horizon Star 2 032027 зірочка привідна Z-10 (під шпонку) 3 041010 штифт розрізний 8x50 - DIN 1481 4 041042 шпонка 8x7x25 - DIN 6885 5 501009 рама русла ліва 6 501010 рама русла праве 7 040723 болт M12x30 - DIN 912 8 040724 болт M12x35 - DIN 912 9 040731 болт M10x25 - DIN 912 mvk 10 041199 штифт 10x20 - DIN 1481 11 042204 болт M12x50 - DIN912 mvk 12 501339 щиток 13 501230 чистик редуктора 14 040909 гвинт M8x16 - DIN 6912 15 501256 пластина регулюальна 16 501600 пластина захистна 17 040752 гвинт M8x16 - 10.9 18 501243 чистик лівий 19 501244 чистик правий 20 501241 чистик вальця 21 040547 гвинт M8x16 - DIN 912 22 -- -- -- Rw 50/55/20"/22" |
23 040497 болт M10x20 - DIN 933 24 040109 шайба гравер A10 - DIN 127 25 501233 кронштейн кріплення деки 26 501238 фіксатор кронштейна 27 040545 болт M10x25 - DIN 912 28 040109 шайба гравер A10 - DIN 127 29 501245 захист передній лівий 30 501248 захист передній правий 31 040612 болт мебельний M8x16 - DIN 603 32 040201 шайба гравер 8,4 - DIN 125 33 040014 гайка M8 - DIN 934 34 501204 дека рухома ліва 34 501820 дека рухома ліва L - optional 35 501208 дека права 35 501823 дека права R - optional 36 501823 планка кріплення редуктора 37 040681 болт M16x140 - DIN 931 38 040718 болт M16x120 - DIN 931 39 040248 шайба стопорна зубчата A16,5 - DIN 6798 40 040764 болт M8x20 - 10.9 41 501216 пластина тертя 42 502850 -- -- -- |
![]() 032027 зірочка привідна Z-10 (під шпонку) ![]() 032027 зірочка привідна Z-10 (під шпонку) |
![]() 501216 пластина тертя |
![]() 501241 чистик вальця Герінгофф |
Потрібні запчастини ЗВОНІТЬ Артем (097)329-93-25 Валера (050)716-28-30 пишіть у Вайбер або на пошту borblik@ukr.net vipzapchasti@ukr.net |
![]() 501243 чистик лівий Герінгофф |
![]() 501244 чистик правий Герінгофф |
![]() 501230 чистик редуктора ![]() 501230 чистик редуктора |
|
![]() 501204 дека рухома ліва Geringhoff |
|
![]() 501208 дека права Geringhoff |
|
![]() 501238 фіксатор кронштейна |
Потрібні запчастини ЗВОНІТЬ Артем (097)329-93-25 Валера (050)716-28-30 пишіть у Вайбер або на пошту borblik@ukr.net vipzapchasti@ukr.net |
![]() 501820 дека рухома ліва L - optional Geringhoff |
|
![]() 501823 дека права R - optional Geringhoff |
|












