
| Модельний ряд жатор Geringhoff | |||||||
| Geringhoff PCA | Rota Disc | Mais Star | Mais Star SC | Mais Star Horison | Horizon Star | Horizon Star II | Horizon Star III |
![]() |
Жатки модельний ряд Geringhoff Rota Disc Каталог на кукурузну жатки Geringhoff Rota Disk ЗАВАНТАЖИТИ - - - 1999р ЗАВАНТАЖИТИ - - - 2005р ЗАВАНТАЖИТИ - - - 2008р ЗАВАНТАЖИТИ - - - 2012р |
![]() 5501500 редуктор в зборі на жатку Geringhoff ![]() 5501500 редуктор в зборі на жатку Geringhoff |
|
![]() - - - |
|
|
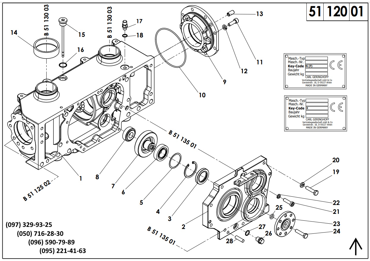
5501500 редуктор в зборі 2012р. 1 502010 корпус редуктора 2 502784 кришка передня редуктора Герінгофф 3 041465 сальник 35x47x7 DIN3760 4 041211 кільце стопорне W47x1,75 DIN472 5 042137 шайба регулювальна 40x47x0,1 DIN988 5 042138 шайба регулювальна 40x47x0,3 DIN988 5 042139 шайба регулювальна 40x47x0,5 DIN988 5 042140 шайба регулювальна 40x47x1,0 DIN988 5 042810 шайба регулювальна 40x47x2,0 DIN988 6 025146 підшипник 32005 7 502755 шустерня Z18 (привода ріжучого вала) 8 025239 підшипник 30203 9 501507 кришка бокова 10 041174 кільце гумове 110х3,0 11 040530 гвинт M8x25 DIN912 |
12 040126 шайба гравер 8 DIN128 13 040302 штифт направляючий 10x20 14 502789 втулка захистна (пластикова) 71х20,5 15 040828 щуп M18x1,5 16 041297 шайба A18x22x1,5 DIN7603 17 040925 сапун M10x1 18 042809 шайба A10x14 DIN7603 19 040506 болт M8x35 DIN933 20 040126 шаба гравер 8 DIN128 21 040846 гвинт M8x30 DIN7984 22 040119 шайба гравер 8 DIN7980 23 502787 фланец (привода ріжучого вала) 24 042358 болт M8x35 DIN931 25 041529 шайба 9х3 26 040826 болт M12x1,5 DIN910 27 041298 шайба A12x16x1,5 DIN7603 28 041296 штифт 8x28 DIN7 |
![]() |
|
![]() 502784 кришка передня редуктора Герінгофф |
![]() 501507 кришка бокова Geringhoff |
![]() 502787 фланец (привода ріжучого вала) Geringhoff |
![]() 502755 шустерня Z18 (привода ріжучого вала) Geringhoff |
![]() 502789 втулка захистна (пластикова) 71х20,5 Geringhoff |
Потрібні запчастини ЗВОНІТЬ Артем (097)329-93-25 Валера (050)716-28-30 пишіть у Вайбер або на пошту borblik@ukr.net vipzapchasti@ukr.net |
![]() 041465 сальник 35x47x7 DIN3760 |
5 042138 шайба регулювальна 40x47x0,3 DIN988 5 042139 шайба регулювальна 40x47x0,5 DIN988 5 042140 шайба регулювальна 40x47x1,0 DIN988 5 042810 шайба регулювальна 40x47x2,0 DIN988 |
![]() 025146 підшипник 32005 |
![]() 025239 підшипник 30203 ![]() 025239 підшипник 30203 |
![]() 040925 сапун M10x1 (повытряний клапан) |
![]() 040828 щуп M18x1,5 |
![]() ![]() |
|
![]() ![]() |
|
| - - - | |
- - - |
- - - |
- - - |
- - - |












