Запчастини на мотовило жатки John Deere 625F 7,6м

Запчастини на інші
  • ЖАТКИ
  • КОМБАЙНИ

  • КАТАЛОГ онлайн John Deere
  • коса на жатку 625F (подвійний сегмент)
  • пальці потрійні на жатку (подвійний сегмент)
  • МКШ - запчастини
  • уловлювач каміння + датчик положення жатки
  • шнек жатки (палець металевий)(запчастини)
  • шнек жатки (пальці композитні) (запчастини)
  • мотовило жатки 625F (запчастини)
  • захист на жатку John Deere 625F
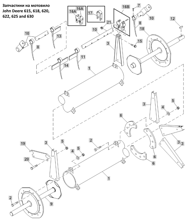
  • 1 труба шнека 615 AH169145
    1 труба шнека 618 AH169147
    1 труба шнека 620 AH169149
    1 труба шнека 622 AH169151
    1 труба шнека 625 AH169152
    1 труба шнека 630 AH169154
    1 труба шнека 10" - 630 AH205329
    2 болт M10х30 19M7168
    3 луч мотоила 615, 618, 620, 622 and 625 H177610
    3 луч мотовила 630 H205470
    4 шайба 10мм 12M7066
    5 гайка M10 A51212
    6 пластина 8", Reel Tube; 615, 618, 620, 622 and 625 H175605
    6 пластина 8", Reel Tube; 630 H175605
    6 пластина 10”, Reel Tube; 630 H206885
    7 гинт M3.5х16 H142298
    8 граблина мотовила AH166492, KXE10477
    8 граблина мотовила KXE10477, H142298
    9 вал мотовила жатки 8” AH215183, AH169328
    9 вал мотовила жатки 8” AXE56050, AH215183
    9 вал мотовила жатки 10” 630 AH215184, AXE56051
    9 вал мотовила жатки 10” 630 AXE56051, AH215184
    10 труба луча мотовила 615 AH203922
    10 труба луча мотовила 618 AH203924
    10 труба луча мотовила 620 AH203926
    10 труба луча мотовила 622 AH203928
    10 труба луча мотовила 625 AH203930
    10 труба луча мотовила 630 AH203932
    11 граблина мотоила AH166491, 10шт - H142298
    12 шпонка 3/8" X 2-1/8" 26H46
    13 граблина мотовила AH166490
    14 граблина момтоввила AH166489
    14 граблина мотоввила AH166493
    15 болт M10х60 19M7807
    16A втулка мотовила (комплект) H175727
    16B втулка мотовила (під шплінт комплект) AXE28803
    17 хомут мотовввила H175436, H175727
    18 вал шнека 615, 618, 620 and 622; AH169557, AXE56040
    18 вал шнека 615, 618, 620 and 622 AXE56040
    18 вал шнека 8”, 625 and 630 AH169329
    18 вал шнека 8”, 625 and 630 AXE56041, AH169329
    18 вал шнека 10”, 630 AXE56042, AH206803
    19 пластина мотоила 615, 618, 620 and 622 H175747
    20 болт M10х25 19M7167
    21 гайка M10 14M7400

    H175727 втулка мотовила John Deere

    H175727 втулка мотовила John Deere

    H175436 хомут мотовила John Deere

    H175436 хомут мотовила John Deere

    Потрібні запчастини ЗВОНІТЬ

    Артем (097)329-93-25
    Валера (050)716-28-30


    пишіть у Вайбер або на пошту

    borblik@ukr.net
    vipzapchasti@ukr.net



    AXE28803 втулка мотовила (під шплінт) John Deere

    AXE28803 втулка мотовила (під шплінт) John Deere

    луч мотовила John Deere AH166489

    луч мотовила John Deere AH166489

    граблина мотовила John Deere AH166489

    граблина мотовила John Deere AH166489

    труба луча мотовила John Deere 625 AH203930
    - - -
    - - -

    Фірми по ...

    ПП Віпзапчасті    
    діяльність: продаж запчастин до кукурузних жаток OROS, Geringhoff, Olimac Drago, Capello, Fantini, CASE, John Deere
    тел.: (097) 329-93-25, (095) 221-41-63
    місто Відправляєм по всій Україні (Нова Пошта)
    e-mail: borblik@ukr.net



    ППФ Рембус    
    діяльність: запчастини до зернових жаток CASE, Claas, John Deere
    тел.: (096) 590-79-89, (050) 716-28-30
    місто Лубни, Полтавська обл.
    e-mail: vipzapchasti@ukr.net
    ФОП Ільєнко Любов Анатоліївна    
    діяльність: продаж запчастин до зернових, кукурузних, соняшникових жаток
    тел.: (050) 210-78-04
    місто с.Шрамківка, Черкаська обл.
    e-mail: ilenko@ukr.net

    Ваш Баннер


    (050) 716-28-30

    Ваш Баннер


    (050) 716-28-30

    Ваш Баннер


    (050) 716-28-30

    Ваш Баннер


    (050) 716-28-30

    Ваш Баннер


    (050) 716-28-30

    Ваш Баннер


    (050) 716-28-30

    легковые автомобили      грузовые автомобили, автобусы

    трактора, комбайни      сельскохозяйственная техника

    строительная техника      специализированные фирмы


    каталог фирм

    фірми по автомобільним мастилам   фірми по фильтрам

    фірми по колесам   фірми по підшипниках

    фірми по пасах   Ремкомплекты, РТИ

    фірми по підвіскам   тормозная система запчасти

    фірми по стеклам   фірми по системі охолодження

    фірми по автоелектриці   глушители, резонаторы

    главная страница