
|
Запчастини на інші |
|
|
|
|
|
|
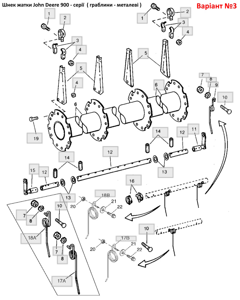
1 труба шнека AH169145, AH163539 - 915 1 труба шнека AH163540 - 918 1 труба шнека AH163541 - 920 1 труба шнека AH163542 - 922 1 труба шнека AH169152 - 925 1 труба шнека AH163544 - 930 2 труба мотовила AH163545 - 915 2 труба мотовила AH163546 - 918 2 труба мотовила AH163547 - 920 2 труба мотовила AH163548 - 922 2 труба мотовила AH203930, AH163549 - 925 2 труба мотовила AH163550 - 930 3 рукоять шнека H177610 4 болт М10х30 19M7168 5 шайба гравер 10мм 12M7066 6 гайка М10 A51212 7 пластина H175605 8 вісь шнека AH163364 |
9A вісь шнека AH163365 - 915, 918 9B вісь шнека AH215183, AH169328 - 925 9B вісь шнека AXE56050 - 925 9A вісь шнека AH169328 - 920, 922, 925 AND 930, SUB FOR AH163363 10 шпонка вала 3/8" X 2-1/8" 26H46 11 глаблина жатки (пластикова) AH166489 11 глаблина жатки (пластикова) AH166493 12 глаблина жатки LH (пластикова) AH166490 13 глаблина жатки RH (пластикова) AH166491 14 глаблина жатки AH166492, KXE10477 15 гвинт H142298 16 хомут мотовила H175436 17 тулка мотовила H175727 18 болт М10х50 19M7658 19 щиток H136994, H175747 20 кільце стопорне T24160 |
![]() |
|
H175727 втулка мотовила John Deere
H175727 втулка мотовила John Deere |
H175436 хомут мотовила John Deere
H175436 хомут мотовила John Deere |
|
Потрібні запчастини ЗВОНІТЬ Артем (097)329-93-25 Валера (050)716-28-30 пишіть у Вайбер або на пошту borblik@ukr.net vipzapchasti@ukr.net |
AXE28803 втулка мотовила (під шплінт) John Deere
AXE28803 втулка мотовила (під шплінт) John Deere |
луч мотовила John Deere AH166489
луч мотовила John Deere AH166489 |
граблина мотовила John Deere AH166489
граблина мотовила John Deere AH166489 |
![]() труба луча мотовила John Deere 625 AH203930 |
- - - |
| - - - | |
|
|
|
1 корпус підшипника E62484 2 підшипник AE37204 3 болт М12х25 03M7197 4 опора шнека AH207290 5 шплінт 4х40мм 11M7087 6 труба шнека AH202541 - 913 6 труба шнека AH202542 - 915 6 труба шнека AH202543 - 918 6 труба шнека AH202546 - 920 6 труба шнека AH202547 -920 RICE 6 труба шнека AH202550 - 922 6 труба шнека AH202551 - 922 RICE 6 труба шнека AH202555 - 925 6 труба шнека AH202556 - 925 RICE |
6 труба шнека AH235363 - 930 6 труба шнека AH202560 - 930 RICE 7 гвинт М6х16 19M7775 7 гвинт М8х20 H201027 8 гайка М6 M84972 8 гайка М8 M84971 9 люк оглядовий H136046 9 люк оглядовий H203897, H172608 10 накладка пальця шнека H87193 11 гвинт направляючого пальца шнека 7.925 X 14.2 mm (5/16" X 0.559") H86918 12 вал привода шнека AH148576 13 планка (оглядового люка) H203898, H174021 14 гайка М12 14M7299 |
корпус підшипника шнека John Deere H113625
корпус підшипника шнека John Deere H113625 |
підшипник шнека John Deere AE37204 аналог W208KRRB6
підшипник шнека John Deere AE37204 аналог W208KRRB6 |
![]() люк оглядовий H136046 |
![]() планка (оглядового люка) H203898, H174021 |
|
|
|
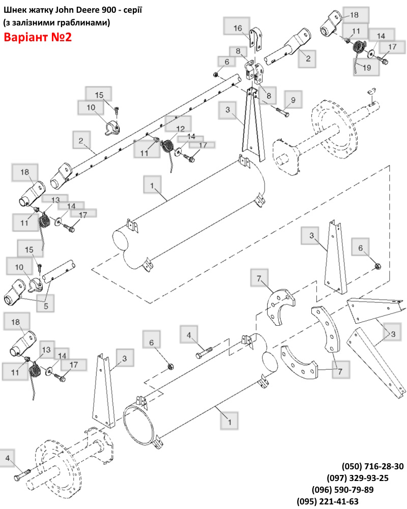
1 труба шнека AH163541 - 920 1 труба шнека AH170891 - 922 1 труба шнека AH169152, AH163543 - 925 2 труба мотоила AH170979 - 920 2 труба мотоила AH170982 - 922 2 труба мотовила AH170985 - 925 3 ричаг H136953, H177610 4 болт М10х30 19M7168 5 труба мотовила AH170981 - 920 5 труба мотовила AH170984 - 922 5 труба мотовила AH170987 - 925 6 гацка М10 A51212 7 пластина H169709, H175605 8 втулка мотовила H175727 9 болт М10х50 19M7658 10 хомут мотовила H174187 |
11 гайка М8 H154071 11 гайка дюймова 12.7 mm (1/2") E59584 12 граблина мотоила (залізна) LH Z56957 13 граблина мотоила (залізна) RH Z56958 14 шайба плоска H174186 14 шайба плоска (під дюймоий болт) E40212 15 саморіз 3.5х16 H142298 16 хомут мотовила AH97221, H136955 16 хомут H175436 17 болт М8х25 19M7867 17 болт E59585 17 саморіз М3.5х16 H142298 18 ричаг труби мотоила R.H. AH173115 деталі R.H. AH202299 (INCLUDES AH97221 AND H201723) деталі L.H. AH202300 (INCLUDES AH97221 AND H201724) |
|
|
|
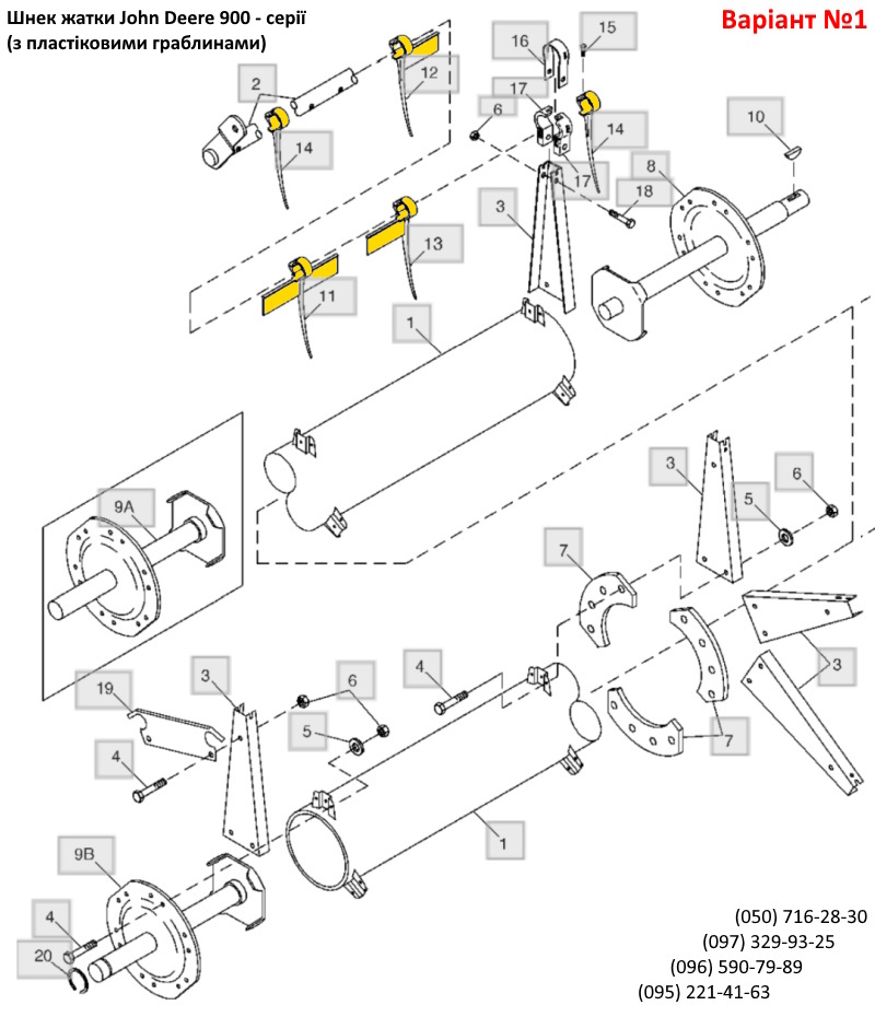
1 болт М10х50 19M7658 2 хомут мотовила H175436, H136955 3 тулка мотовила H175727 4 гайка М10 A51212 5 кронштейн мотоила H136953, H177610 6 труба шнека AH151917 6 труба шнека AH169152, AH163543 7 гайка М8 14M7273 8 шайба граер М8,4 12M7032 9 граблина мотовила H149372 10 болт М8х50 03M7216 |
11 накінечник труби мотовила AH143517 12 труба мотовила H149370 13 шайба L18453 14 штифт пружинний 8х40 34M7047 15 накінечник труби мотовила AH143516 16 шайба труби мотовила H149745 17A граблина мотовила RH H149753 17B граблина мотоила RH Z56958 18A граблина мотовила LH H149752 18B граблина мотоила LH Z56957 19 болт М10х25 19M7167 |
![]() сегменти на жатку John Deere (крупна H207930 і мілка насічка H207929) |
|
![]() болт сегмента H125891 5,5мм 16мм + гайка H125892 (аналог CASE 86507777) |
![]() гайка сегмента 5,5мм H125892 (аналог CASE 86507777) |
![]() болт пятки коси 5,5мм 25мм H166262 |
![]() болт сегмента 5,5мм 18мм H125890 |
![]() головка ножа жатки John Deere AH211795, KXE10217, AH121075, AZ34218 |
|
![]() пластина з'єднувальна головки ножа H128235 John Deere |
|
|
Коса 9,1м на жатку John Deere 930F KXE10215 (коса перша частина - 1шт), AH213829 (коса середня частина - 2шт), AH213829-930 (коса кінцева частина - 1шт), AH202442 (з'єднувач коси - 3шт), H207930 (сегмент - 6шт) ![]() |
|
![]() з'єднувач коси на жатку John Deere 900 AH202442 |
|
| - - - | - - - |
| - - - | - - - |
![]() Палець шнека жатки композитний John Deere H205318 |
Глазок пальця шнека John Deere H179000 (під композитний палець)
Глазок пальця шнека John Deere H179000 (під композитний палець) |
![]() Палець шнека жатки металевий John Deere H162662 |
Глазок пальця шнека John Deere H87044 (під металевий палець)
Глазок пальця шнека John Deere H87044 (під металевий палець) |
Кришка глазка пальця шнека John Deere H87192
Кришка глазка пальця шнека John Deere H87192 |
Як зробити ЗАМОВЛЕННЯ - натисніть на запчастині - вибиріть поділитися зображенням - переселайте нам на Вайбер (097)329-93-25 (050)716-28-30 або на пошту borblik@ukr.net vipzapchasti@ukr.net |
AH171884 тримач пльця шнека (або AH164128)
AH171884 тримач пльця шнека (або AH164128) |
H174947 Фіксатор кріплення пальця шнека жатки John Deere
H174947 Фіксатор кріплення пальця шнека жатки John Deere |
|
|
палець подвійний жатку John Deere H153719 (без перемички)
палець подвійний жатку John Deere H153719 (без перемички) |
палець подвійний жатку John Deere H153719 (без перемички) 1 . . H204289 прижим коси для тройного пальця 2 . . 19M7576 болт М10х30 3 . . 14M7296 гайка M10 4 . . H153719 палець жатки без перемички 5 . . 03M7191 болт М10х25 5 . . 03M7194 болт М10х40 6 . . Z47492 гайка М10 7 . . AZ59491 стеблепідіймач John Deere 8 . . 03M7193 болт М10х35 8 . . 03M7194 болт М10х40 9 . . H127801 прижим коси 9 . . H129024 прижим коси 10 . . H153157 пластина тертя 11 . . H171032 палець трійний на жатку John Deere 12 . . Z25258 пластина прокладка |
палець потрійний John Deere H153855
палець потрійний John Deere H153855 |
![]() прижим ножа жатки John Deere 600 і 900 серії H127801 ![]() прижим ножа жатки John Deere 600 і 900 серії H127801 |
|
|
|
Запчастини на редуктор МКШ John Deere 1 . . E43336 гайка 3/4 2 . . 24H1399 шайба 25/32" х 1-5/8" х 0.180" 3 . . E78705 шків 4 . . AE53176 сальник МКШ (ущільнення) AT21780 5 . . AE38359 підшипник 6 . . AE38566 кришка 7 . . 19H3467 болт 5/16" X 1" 8 . . TY24344 прокладка 9 . . AE57735 вал МКШ AE55172 10 . . JD9088 підшипник 11 . . AE57735 вилка МКШ в зборі з валам AE34799 12 . . палець вилки МКШ 13 . . шайба 14 . . FH312457 гайка 49,225мм (1-15/16") E59303 15 . . AE38448 сапун 16 . . 15H511 втулка-перехідник 1/8", 3/8" X 1/8" 17 . . JD9977 підшипник 18 . . AE53175 сальник МКШ AE47781 19 . . AE35151 корпус МКШ 20 . . E57837 втулка вилки МКШ 21 . . AE57735 вилка МКШ AE51772 22 . . 11M7032 шплінт 5х50мм 23 . . AE41481 редуктор МКШ 24 . . H174438 щиток H151791 25 . . 19H1648 болт 3/8" х 3/4" 26 . . 12H304 шайба 3/8 |
27 . . 19M7297 гвинт М8х12 28А . . AH148185 щиток AH145990 28В . . AH158176 щиток 29 . . 03M7190 болт М10х20 30 . . 03M7184 болт М8х20 31 . . 14M7296 гайка М10 32 . . H137328 гайка М8 33 . . JD9861 підшипник 32 . . JD9861 підшипник 33 . . AE53177 сальник МКШ AE49271 34 . . AH133448 кронштейн кріплення МКШ 34 . . AH133449 кронштейн кріплення МКШ 35 . . H136757 важіль приода коси жатки 35 . . H136758 важіль привода коси 36 . . H150316 болт М12х32 36 . . 12H301 шайба 36 . . 14M7275 гайка М12 37 . . E87643 шайба 38 . . 14H875 гайка 7/8" 39 . . 19H2473 гвинт 1/2"х1-3/4" 40 . . T29342 шайба 41 . . H98780 флянець кріплення головки ножа 42 . . H151792 щиток 43 . . 19M7560 болт М6х16 44 . . 14M7528 гайка М6 45 . . 19H3343 болт 5/8"х2" 46 . . T14065 кільце 47 . . H150316 болт м12х32 |
H175727 втулка мотовила John Deere
H175727 втулка мотовила John Deere |
H175436 хомут мотовила John Deere
H175436 хомут мотовила John Deere |
Граблина мотовила John Deere AH166489
Граблина мотовила John Deere AH166489 |
Потрібні запчастини ЗВОНІТЬ Артем (097)329-93-25 Валера (050)716-28-30 пишіть у Вайбер або на пошту borblik@ukr.net vipzapchasti@ukr.net |
![]() ![]() |
|
| - - - | - - - |
| - - - | |



Ваш Баннер
(050) 716-28-30
Ваш Баннер
(050) 716-28-30
Ваш Баннер
(050) 716-28-30
Ваш Баннер
(050) 716-28-30
Ваш Баннер
(050) 716-28-30
Ваш Баннер
(050) 716-28-30









