
|
Запчастини на інші |
|
|
|
палець шнека композитний на жатку John Deere H205318
палець шнека композитний на жатку John Deere H205318 |
|
|
|
|
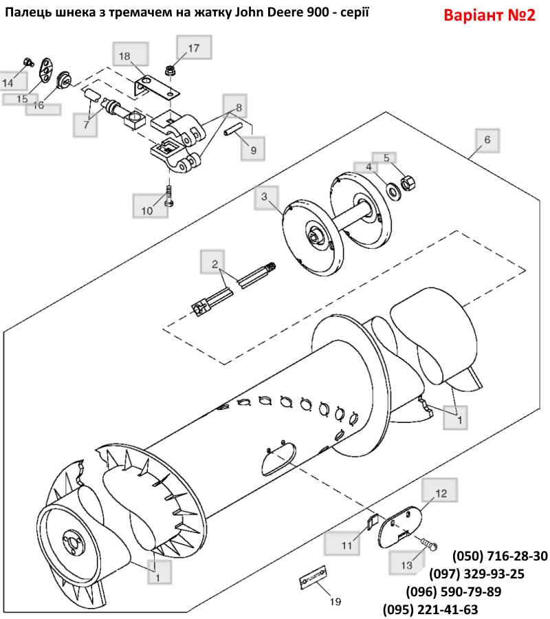
1 болт 7.925 X 14.2 mm (5/16" X 0.559") H86918 2 кришка глазка пальця шнека H87192 3 глазок пальця шнека H87044 3 глазок пальця шнека (під композитний палець) H179000 4 палець шнека (металевий) H162662 4 палець шнека (композитний) 265MM H205318 (суміжні запчастини H179000, 14M7397, 24M7139 AND 19M8092 5 палець 6.350 X 48 mm (1/4" X 1.890") H171190, 34H318 6 тримач пальця шнека AH171884 (AH164128) 7 болт М8х40 19M8317 7 болт М8х50 19M8319, H174947 7 болт М6х50 19M8092, H202806 8 гайка М8 14M7396 8 гайка М6 14M7397, H202806 8 шайба 6,4х18х1,6 24M7139 9 вал шнека на жатку 915 H135057 9 вал шнека на жатку 918 H135058 9 вал шнека на жатку 920 H135059 9 вал шнека на жатку 922 H135060 9 вал шнека на жатку 925 H135061 9 вал шнека на жатку 930 AH166120 10 підшипник AN102010 |
11 гайка М10 14M7296 12 вал шнека R.H. H165099 13 болт М12х70 19M7817, HXE82927, H174360, 03M7380, AH171835 14 важіль шнека H174360, H167350, H174947 15 вал шнека H166762 16 корпус підшипника H161529 17 дефлектор L.H. Z20383 17 дефлектор R.H. Z20384 18 болт М8х20 37M7058 19 Фіксатор кріплення пальця шнека жатки H174947, H174360 20 гайка М12 14M7401 .. комплект AH172016 - (INCLUDES (2) AH171884, 34H318, (2) H137328, (4) H86918, (2) H87044, (2) H87192 AND (2) 19M8319) .. комплект AH202965 .. комплект AH202788- (INCLUDES (25) H174947 AND INSTRUCTIONS) .. комплект AH206160 - (INCLUDES (8) H137328, (16) H86918, (8) H87044, (8) H87192 AND (8) 19M8319) .. комплект AH171835 - (INCLUDES (4) 03M7380, (39) 19M8319, (39) H137328, (2) H174360 AND (29) H174947) |
![]() Палець шнека жатки композитний John Deere H205318 |
Глазок пальця шнека John Deere H179000 (під композитний палець)
Глазок пальця шнека John Deere H179000 (під композитний палець) |
AH171884 тримач пльця шнека (або AH164128)
AH171884 тримач пльця шнека (або AH164128) |
Як зробити ЗАМОВЛЕННЯ - натисніть на запчастині - вибиріть поділитися зображенням - переселайте нам на Вайбер (097)329-93-25 (050)716-28-30 або на пошту borblik@ukr.net vipzapchasti@ukr.net |
![]() болт М8х50 19M8319, H174947 |
![]() гайка М8 14M7396 |
|
|
|
2 вал шнека жатки AH148576 3 опора труби шнека AH207290, AH148572 4 шайба плоска T29049 5 гайка М20 14M7495 6 шнек жатки 918 AH202545, AH160656 OR AH202544 6 шнек жатки 920 AH202548, AH158932 6 шнек жатки 920 AH202549, AH160052 6 шнек жатки 922 AH202552, AH160282 6 шнек жатки 922 AH202553, AH160649 6 шнек жатки 925 AH202557, AH160657 6 шнек жатки 925 AH202558, AH160658 6 шнек жатки 930 AH235361, AH160659 OR AH202561 6 шнек жатки 930 AH202562, AH160660 7 палець шнека (металевий) H162662, H87044 7 палець шнека (композитний) H202806, H179000 8 тримач пальця шнека AH171884, AH164128 9 палець H171190, 34H318 |
10 болт М8х40 19M8317, H162662 10 болт М8х50 19M8319, H174947 AND H162662 10 болт М6х50 19M8092, H202806 11 гайка М6 M84972, H136046 11 гайка М8 M84971, H203897 12 оглядовий люк H136046 12 оглядовий люк H203897, H172608 13 гвинт М6х16 19M7775, H136046 13 гвинт М8х20 H201027, H203897 14 болт 7.925 X 14.2 mm (5/16" X 0.559") H86918 15 кришка вічка пальця шнека H87192 (кількість на жатку 918 - 29 USED; 920 AND 922 - 31 USED; 925- 35 USED; 930 - 39 USED) 16 вічко пальця шнека (під металевий) H87044, H162662 16 вічко пальця шнека (під композитний) H179000, H202806 17 гайка М8 H137328, H162662 17 гайка М6 14M7397, H202806 18 фіксатор пальця шнека H174947 |
|
|
![]() Палець шнека жатки металевий John Deere H162662 |
Глазок пальця шнека John Deere H87044 (під металевий палець)
Глазок пальця шнека John Deere H87044 (під металевий палець) |
Кришка глазка пальця шнека John Deere H87192
Кришка глазка пальця шнека John Deere H87192 |
Як зробити ЗАМОВЛЕННЯ - натисніть на запчастині - вибиріть поділитися зображенням - переселайте нам на Вайбер (097)329-93-25 (050)716-28-30 або на пошту borblik@ukr.net vipzapchasti@ukr.net |
AH171884 тримач пльця шнека (або AH164128)
AH171884 тримач пльця шнека (або AH164128) |
H174947 Фіксатор кріплення пальця шнека жатки John Deere
H174947 Фіксатор кріплення пальця шнека жатки John Deere |
| - - - | - - - |
| - - - - - - - - - - - - - - - - - - - - - - - - - ВАС може зацікавить |
|
![]() сегменти на жатку John Deere (крупна H207930 і мілка насічка H207929) |
|
![]() болт сегмента H125891 5,5мм 16мм + гайка H125892 (аналог CASE 86507777) |
![]() гайка сегмента 5,5мм H125892 (аналог CASE 86507777) |
![]() болт пятки коси 5,5мм 25мм H166262 |
![]() болт сегмента 5,5мм 18мм H125890 |
![]() головка ножа жатки John Deere AH211795, KXE10217, AH121075, AZ34218 |
|
![]() пластина з'єднувальна головки ножа H128235 John Deere |
|
|
Коса 9,1м на жатку John Deere 930F KXE10215 (коса перша частина - 1шт), AH213829 (коса середня частина - 2шт), AH213829-930 (коса кінцева частина - 1шт), AH202442 (з'єднувач коси - 3шт), H207930 (сегмент - 6шт) ![]() |
|
![]() з'єднувач коси на жатку John Deere 900 AH202442 |
|
| - - - | - - - |
| - - - | - - - |
палець подвійний жатку John Deere H153719 (без перемички)
палець подвійний жатку John Deere H153719 (без перемички) |
палець подвійний жатку John Deere H153719 (без перемички) 1 . . H204289 прижим коси для тройного пальця 2 . . 19M7576 болт М10х30 3 . . 14M7296 гайка M10 4 . . H153719 палець жатки без перемички 5 . . 03M7191 болт М10х25 5 . . 03M7194 болт М10х40 6 . . Z47492 гайка М10 7 . . AZ59491 стеблепідіймач John Deere 8 . . 03M7193 болт М10х35 8 . . 03M7194 болт М10х40 9 . . H127801 прижим коси 9 . . H129024 прижим коси 10 . . H153157 пластина тертя 11 . . H171032 палець трійний на жатку John Deere 12 . . Z25258 пластина прокладка |
палець потрійний John Deere H153855
палець потрійний John Deere H153855 |
![]() прижим ножа жатки John Deere 600 і 900 серії H127801 ![]() прижим ножа жатки John Deere 600 і 900 серії H127801 |
|
|
|
Запчастини на редуктор МКШ John Deere 1 . . E43336 гайка 3/4 2 . . 24H1399 шайба 25/32" х 1-5/8" х 0.180" 3 . . E78705 шків 4 . . AE53176 сальник МКШ (ущільнення) AT21780 5 . . AE38359 підшипник 6 . . AE38566 кришка 7 . . 19H3467 болт 5/16" X 1" 8 . . TY24344 прокладка 9 . . AE57735 вал МКШ AE55172 10 . . JD9088 підшипник 11 . . AE57735 вилка МКШ в зборі з валам AE34799 12 . . палець вилки МКШ 13 . . шайба 14 . . FH312457 гайка 49,225мм (1-15/16") E59303 15 . . AE38448 сапун 16 . . 15H511 втулка-перехідник 1/8", 3/8" X 1/8" 17 . . JD9977 підшипник 18 . . AE53175 сальник МКШ AE47781 19 . . AE35151 корпус МКШ 20 . . E57837 втулка вилки МКШ 21 . . AE57735 вилка МКШ AE51772 22 . . 11M7032 шплінт 5х50мм 23 . . AE41481 редуктор МКШ 24 . . H174438 щиток H151791 25 . . 19H1648 болт 3/8" х 3/4" 26 . . 12H304 шайба 3/8 |
27 . . 19M7297 гвинт М8х12 28А . . AH148185 щиток AH145990 28В . . AH158176 щиток 29 . . 03M7190 болт М10х20 30 . . 03M7184 болт М8х20 31 . . 14M7296 гайка М10 32 . . H137328 гайка М8 33 . . JD9861 підшипник 32 . . JD9861 підшипник 33 . . AE53177 сальник МКШ AE49271 34 . . AH133448 кронштейн кріплення МКШ 34 . . AH133449 кронштейн кріплення МКШ 35 . . H136757 важіль приода коси жатки 35 . . H136758 важіль привода коси 36 . . H150316 болт М12х32 36 . . 12H301 шайба 36 . . 14M7275 гайка М12 37 . . E87643 шайба 38 . . 14H875 гайка 7/8" 39 . . 19H2473 гвинт 1/2"х1-3/4" 40 . . T29342 шайба 41 . . H98780 флянець кріплення головки ножа 42 . . H151792 щиток 43 . . 19M7560 болт М6х16 44 . . 14M7528 гайка М6 45 . . 19H3343 болт 5/8"х2" 46 . . T14065 кільце 47 . . H150316 болт м12х32 |
H175727 втулка мотовила John Deere
H175727 втулка мотовила John Deere |
H175436 хомут мотовила John Deere
H175436 хомут мотовила John Deere |
Граблина мотовила John Deere AH166489
Граблина мотовила John Deere AH166489 |
Потрібні запчастини ЗВОНІТЬ Артем (097)329-93-25 Валера (050)716-28-30 пишіть у Вайбер або на пошту borblik@ukr.net vipzapchasti@ukr.net |
![]() ![]() |
|
| - - - | - - - |
| - - - | |



Ваш Баннер
(050) 716-28-30
Ваш Баннер
(050) 716-28-30
Ваш Баннер
(050) 716-28-30
Ваш Баннер
(050) 716-28-30
Ваш Баннер
(050) 716-28-30
Ваш Баннер
(050) 716-28-30









